< Circuit Theory

The Extra Element technique helps break down one complicated problem into several simpler ones like superposition. However the goal is to find impedance rather than current or voltage.

By removing the element that most complicates the circuit the overall circuit impedance can be obtained.

where

is the impedance chosen as the extra element to be removed
is the input impedance with Z removed (or made infinite)
is the impedance seen by the extra element Z with the source shorted (or made zero)
is the impedance seen by the extra element Z with the source opened (or made infinite)

Computing these three terms may seem like extra effort, but they are often easier to compute than the overall input impedance.

Example

4 resistors, 1 capacitor example
set up for node analsysis
node analysis in mupad ..code .. need to solve for vs/current to compare answers

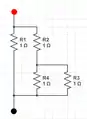
Consider the problem of finding for the circuit in Figure 1 using the EET (note all component values are unity for simplicity). If the capacitor (gray shading) is denoted the extra element then

Removing this capacitor from the circuit we find

Calculating the impedance seen by the capacitor with the input shorted we find

Calculating the impedance seen by the capacitor with the input open we find

Therefore using the EET, we find

Note that this problem was solved by calculating three simple driving point impedances by inspection.

This article is issued from Wikibooks. The text is licensed under Creative Commons - Attribution - Sharealike. Additional terms may apply for the media files.