< Electronics Fundamentals
Rectifier
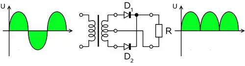
Rectifier is a Device that converts AC Electricity to DC Electricity
Configurations
Transformer with centered tap
Transformer without centered tap
This article is issued from Wikibooks. The text is licensed under Creative Commons - Attribution - Sharealike. Additional terms may apply for the media files.

