Here you can see the result of a Simulink simulation of a multipurpose AC battery pack, generating a sin wave:

The upper curve shows desired and actual voltage, the lower shows the commands. 0 = idle, 1 = one up, 2 = one negative up, 3 = down.
This implementation examples show sheets of a running Simulink demo.
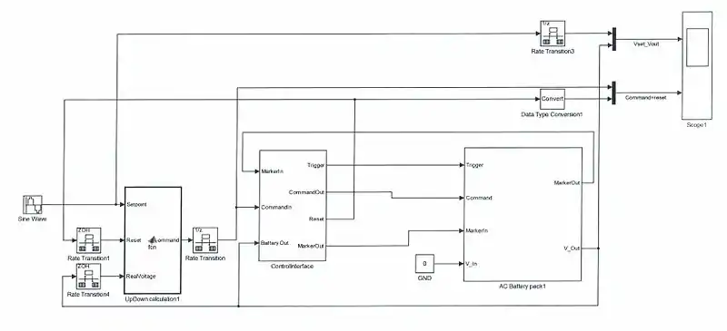
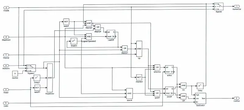
Here you can see one (incomplete) test implementation consisting of:
- the system overview

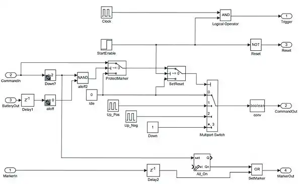
- the ControlInterface

- one complete multipurpose AC battery pack (consising of 4 rows&polarity switches, 6 switch cells each)

- one of four switch groups with decoder, polarity switch and 6 switch cells

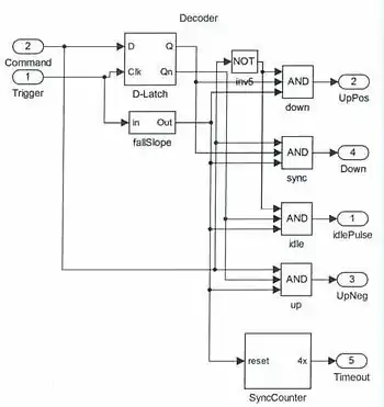
- Decoder for retrieving PosUp, NegUp, Down, Idle and Reset command

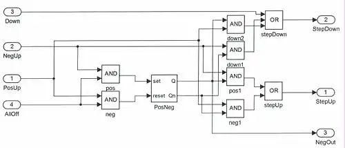
- Logic for positive or negative output voltage (with polarity change protection if not all cells are switched off)

- Logic of every switch cell (p.e. control of a half bridge)

The control algorithm is a simple integrator in software. Here is the matlab function code:

