Yes the maximum friction (and therefore braking) force is a linear function of weight. The higher braking force cancels out the higher kinetic energy, if we assume:
- That the landing speed is equal at the higher weight.
- That the lift dumpers are not operated.
- That all the wheels have brakes.
- That the brakes can get rid of all of the heat at the higher weight, without blowing the tyres.
Landing Speed.
Braking distance is a quadratic function of touchdown speed. For a small weight increase, we can maintain the same landing speed without much safety implication. Sure airliners dump fuel when attempting a landing close to max gross weight, but that is mainly to limit the touchdown slam, the main gears are not dimensioned for doing this at TO weight. Making the observation at the same landing speed is a really important limitation though, since braking distance is equal to landing speed square.
Residual lift. Lift dumpers remove lift: just after touchdown, the wing still creates considerable lift which reduces the normal (and therefore braking) force. Since the landing speed does not change in our assumptions, the lift decrease is the same, regardless of weight: $ F_N = W - L + \Delta L$. If we take two gross weights and work out the percentage of down force, we get:

So the higher landing weight keeps a higher downforce percentage after deploying spoilers etc. If we consider residual lift, the higher weight causes a shorter braking distance.
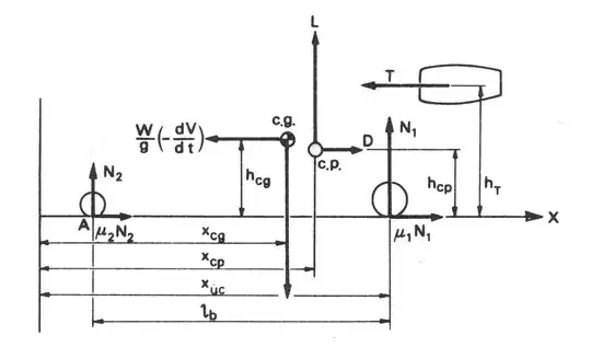
Nose Wheel Brake.

Usually, only the main wheels have brakes, but braking creates a forward moment which reduces the downforce on the main wheels. The magnitude of the effect depends on the height of the c.g. off of the ground, but if the nose wheel has no brakes, this effect increases braking distance at higher weight.
Heat buildup
This is another factor that increases quadratically with landing velocity, and only linearly with weight. The brakes are dimensioned for emergency stop below V1 after engine fail, so they will cope with a normal landing at normal weights.
All in all, there is one effect that decreases landing distance as function of landing weight, and one that increases landing distance. We could say that they cancel each other out and that at the same landing speed and within normal limits, braking distance is independent of weight.
But the very shortest landing distance is at the very lightest weight: stay just above stall speed for the weight, even a small reduction is speed has a large effect on distance.