The naming is simple, from ICAO Annex 11:
2.1.2 The basic indicator shall be the name or name-code
of the significant point where a standard departure route
terminates or a standard arrival route begins.
So check where your route terminates/begins. I'm suspecting you are asking in the context of flight simulation, because otherwise you can look up the preferred routes of your area of flight. They are usually published.
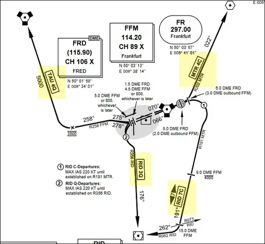
If that's the case, you need a charts subscription, and to view the page where all the departures or arrivals are charted on one page (there is usually one for airports with many procedures). And check which direction you are coming from / going to, this will make it much easier. Example below is from VATSIM Germany (in this case the charts are free).
Alternatively, based on the wind pick a departure/landing runway, and see which procedures include that runway, that will narrow it down nicely. The same is true when you listen to the ATIS. So when the ATC says it, you will have a narrow list to look at and match.
You can always ask the ATC to spell it out in phonetic alphabet as well.
Say again waypoint/procedure in phonetic alphabet.
And as @Terry explains here, if all the communications are in a language(s) you speak, it will help you anticipate what the ATC will ask you to do.
For example, if two airplanes preceding you are being rerouted for some reason, [you will be] prepared for the reroute when it comes through to you.
