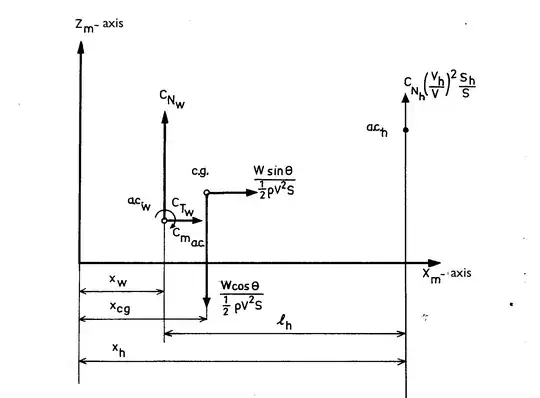
Your question is about the longitudinal static stability of an aeroplane, which is defined as: a disturbance in airflow creates a difference in angle of attack, causing a pitching moment that restores the equilibrium. There are quite a few situations to be considered in an aeroplane with manually operated, reversible flight controls.

- Stick Fixed static stability. Described in this answer, containing the image above. And as mentioned in the answers to this question, static longitudinal stability requires that the Centre of Gravity is in front of the Centre of Lift.
- Stick Free static stability is the aeroplane creating a restorative pitching moment upon a disturbance when the stick is not held in a fixed position. With manual flight controls, when the stick is released the elevator floats to a position where hinge moment is zero, which differs for every Angle of Attack.
- Stick Position stability is described in this answer: when controlling the plane the stick is moved to initiate the manoeuvre, then kept in the same direction.
- Stick Force stability is the stick feeling as if loaded by an (aerodynamic) spring: required stick force increases with stick deflection in every stage of flight - take-off, cruise, approach.
Stick fixed static stability is required for Stick Free, Stick Position and Stick Force stability. When stable, the CoG is already in front of the Centre of Lift, so moving the centre of lift forward makes the aeroplane more and more statically stable.
When the CG is moved from aft to forward, the tail will go from producing positive lift, to no lift and to negative lift.
Let's say the CoG moves forward due to fuel in the tail tank being used. The increasing moment arm causes an increasing nose-down moment, which needs to be compensated by a larger aerodynamic nose-up moment:
- by trimming the elevator/stabiliser via the trim tab, or
- by displacing the stick aft and keeping it there, a fatigueing way of flying...
Both situations need to be continually adjusted as the CoG creeps forward. Trimming the elevator/stabiliser equates to finding a different zero position, and does not directly influence the static stability.

Image above is from prof. Gerlach's uni book (paper copy still in my possession), which shows the aerodynamic moment graphs of the Fokker F27. Strictly speaking, the longitudinal stability is the gradient $C_{m,\alpha}$ at $C_m$=0, the trimmed condition.
The pilot will feel resistance on the stick decreasing to zero and rising again.
They will when not using the trim method to adjust, but the position-and-hold-the-stick method instead. What they feel is just the static force offset to keep the elevator in the position for $C_m$ = 0 though, the force gradient does not substantially change.
Since stability is the resistance pilot overcomes to manoeuvre the aircraft, should the stability not decrease and then rise again with the tail loading?
As mentioned above, stability is the gradient through $C_m$ = 0, not the force offset to keep the stick in an untrimmed position. As can be seen in the F27 graph, gradients of the four lines through $C_m$ = 0 are pretty identical.