I have a new Navien SmartZone+ 6-Zone Control for my boiler-based heating system. It is great, except it provides no power on C.
I realize the internet has researched the heck out of adding a C wire. There are lots of solutions for different situations.
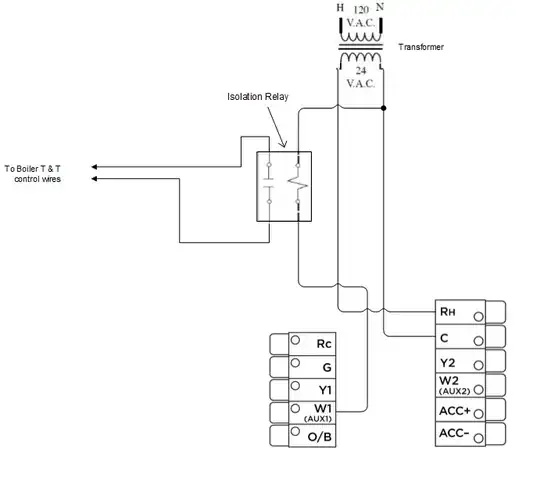
My case is a little different: I have a 24V transformer and two isolation relays. They were used previously to provide 2 Nests with C wires, so this worked before... but my plumber disassembled the old zone controller and I'm left a bit baffled by how this worked...
Wiring an isolation relay with a 24-V transformer is well explained by ecobee: 
But I'm not sure based on this whether the following will work:
- Split the L side of the 24V transformer and connect it to C for both thermostats and one side of each of the isolation relays
- Split the N side of the 24V transformer and connect it to R for both thermostats
- Wire the W from each thermostat back to their respective isolation relays
Do I have this right? Thanks