I was looking at my furnace a couple of days ago and I notice one thing: there is something red hot there where the spark igniter and the thermocouple assembly is. I can hardly see it and I am not sure what component is that but I was just wondering if this is normal.
This is what I have for thermocouple and spark igniter
here is what is hot red. I looked again from a different angle. I think that the pilot light stays on for as long as the thermostat asks for heat. After that it turns off, that does happen I am not concerned about that. I am just wondering if, after the burners are lit, the pilot light should still stay on. I see no sense in that.
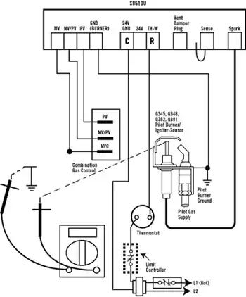
Here is the electrical scheme for my igniter

I think that I shortly run that test a while ago and I did not hear the gas but I did hear some noise that was coming from the valve. I was to scared to keep it longer so I stopped the whole experiment. I will try it again over the weekend. And yes indeed it works as you described, somehow the control module senses a current that flows between the ignitor and ground (so it senses the resistance you mentioned above) – MiniMe Dec 16 '14 at 00:31