If capacitors are connected in series with a vltg source, then how would each plates get the polarity? For a single capacitor, the electrons from one plate are pumped by the source towards the other side of the plate, but for series connection how would the flow of electrons be in between the capacitors (i.e. for the inner plates of the capacitors). Say, if three capacitors are connected in series, how would the middle capacitor gets charged? Would current exist between each capacitors?
-
1Momentarily, yes. – Jun 13 '20 at 20:36
4 Answers
Since we are on Electrical Engineering, let us consider workings in your serial network Vsource+=Capacitor1=...=CapacitorN=Vsource- in the circuit-analysis context, the Vsource+ and Vsource- are poles of the DC voltage source.
Let N=1, i.e., a single capacitor is connected to a voltage source. To be able to speak of transient process of charging the capacitor, we have to add to our circuit one more serial component, a switch. So, we have a serial network Vsource+=Switch=Capacitor=Vsource-. When performing transient analysis, we must specify initial conditions in a network. Let it be zero initial current (switch is OFF) and zero voltage across the capacitor. Closing the switch in the moment t=0 initiates infinite current in the network that charges the capacitor with the charge Q=V·C. In reality, the resistances and inductances of network components limit the current and may result in decaying oscillations, but the circuit "steady state" is the capacitor with the voltage equal to DC source voltage. Notice that if the initial voltage of the capacitor is equal to a DC source voltage, closing the switch would not result in current surge and any transient process in the circuit.
For a network of Vsrc+=Switch=C1=...=CN=Vsrc- (i.e., multiple serially connected capacitors), if the sum of voltages across C1, ..., CN is equal to the Vsrc voltage, closing the switch does not start the current in the network. The initial voltages across C1, ..., CN can be assigned any values, assuming these values add to the Vsrc voltage, and closing the switch does not change these values. I won't bore you with the truth ((C) Homer Simpson), but this fact gives you a hint that the problem of finding steady state in serial network Vsrc+=Switch=C1...=CN=Vsrc- with ideal components does not have a unique solution. To arrive at a sensible result, you have to consider non-idealities of circuit components.
Examination of a serial network of multiple capacitors and a current source (instead of voltage source) will give more elucidating insight into workings of electrical circuits -- how Kirchhoff's laws and charge conservation agree with apparent discontinuity of circuit between capacitor plates.
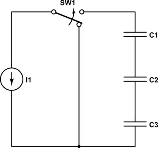
We have a network with a switch Sw1. The switch Sw1 either connects a network branch with serially connected capacitors to the current source I1 or disconnects this branch while short-circuiting the current source. The current source must be connected to some load (Kirchhoff's nodal rule at current source poles requires it!)

simulate this circuit – Schematic created using CircuitLab
Initial conditions: before t=0, the switch diverts the current away from the capacitor branch; the voltages across each of capacitors is zero. At t=0, switch flips to the capacitor branch side. Current I1 flows thru each of capacitors C1, C2, C3. How it can be, knowing that capacitors plates are isolated form each other in capacitors and charge carriers cannot be transported thru dielectric medium? The seeming current path discontinuity at the gap of conductive media inside capacitors, how can we reconcile it with Kirchhoff's nodal rule?
James Clerk Maxwell considered a problem of the sort when building classical electromagnetism theory. He solved it with the concept of displacement current, proportional to the rate of change of electric field.
Constant current from the current source flows in a capacitor and charges the capacitor plates. Electric field linearly increases with time; in a medium between plates this increase produces constant displacement current. The total current at each point is the sum of charge carrier current plus displacement current. In wires, we have charge carrier current, in dielectric we have displacement current, and Kirchhoff's law can be satisfied.
The solution for the transient process in a serial network of three capacitors and a current source with zero initial voltages across capacitors:
V_c1 = I1*t/C1; V_c2 = I1*t/C2; v_c3 = I1*t/C3.
- 4,154
- 7
- 10
-
So the displacement current would be formed between the plates of the capacitor, which is again responsible for charge carrier current between C1 and C2. This is how current exists from Source-C1-C2-C3-Source . Did I get that right?? – Rahul R Jun 20 '20 at 11:36
-
1In the lumped element model of electrical circuits, the notion of displacement current makes it clear that if there is a gap in the charge carrier path, like a dielectric between capacitor plates, than the amount of charge changes on these plates. It amounts to a conservation of charge. The total current exists in the whole circuit and it is constant thru constituent components, if there is no branching. – V.V.T Jun 20 '20 at 16:15
-
Electric field pushes or pulls free electrons in metal. The + charged atomic parts stay in their places and pull new electrons to take the place of the drifted ones. This is the mechanism (=electric influence) which makes metal to transfer the electric field along the wires.
If you have the series of two capacitors just connected to a battery the +pole of the battery pulls electrons say from plate A of capacitor 1. There develops + charge to the plate A of a capacitor 1. It's field pulls electrons towards plate B of capacitor 1. The electrons can come from plate A of capacitor B due the influence. Thus there's current between the capacitors.
Capacitors in series block DC current but allow AC current depending on their properties. If you were able to instantaneously turn on a voltage source (with no ramp, no ripple), then no current would flow through the capacitors. In reality, there is a ramp, which means that the capacitor sees a difference in potential allowing some signal through.
This is how some circuits use series capacitors: to block DC but allow AC. It's useful in RF circuits where you need to power something at one point, but read the RF signal (AC) further downstream. You can block the DC component and allow the AC.
Looking around, here is a good answer, too.
- 104
- 2
If capacitors are connected in series with a vltg source, then how would each plates get the polarity?
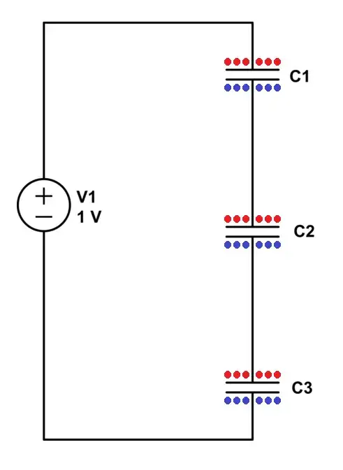
When a voltage is applied to (say) three capacitors in series, the charge carriers (electrons) distribute themselves like this: -
The wires that feed C2 have no net charge but the electrons still redistribute themselves due to the influence of C1 and C3. Given that each capacitor in series is subject to the same movement of charge carriers (electrons), the voltages that arise is dependent on the capacitance as per the formula: -
$$Q = CV$$
Would current exist between each capacitors?
Current will flow as per the standard equation for a capacitor: -
$$ i = C\dfrac{dv}{dt}$$
And, if the voltage was applied instantaneously, dv/dt would be infinite and current would be infinite (and infinitely short) and the capacitors would charge up instantaneously. Nevertheless, the final voltages across each is dependent on the common charge and CV.
- 456,226
- 28
- 367
- 807
