I bought an ultrasonic module. It works fine. But I'd like to know how the pot on the module works. Thank you.
Asked
Active
Viewed 2,769 times
0
-
refer to the datasheet for the module – jsotola Jul 25 '20 at 20:40
-
2What does the datasheet say and why didn't you link it in the question? "*No datasheet? No sale!" See What to check for when buying an electronic component or module?. – Transistor Jul 25 '20 at 20:40
-
Where did you buy it? Didn't it come with manual, datasheet or instructions? – Justme Jul 25 '20 at 20:41
-
@Justme I bought it from aliexpress https://tinyurl.com/yxn8nxj7 – Studuino Jul 25 '20 at 20:48
-
Why not ask from where you bought it? – Justme Jul 25 '20 at 20:54
-
@justme I've sent the request for datasheet/manual but no reply. – Studuino Jul 25 '20 at 21:02
-
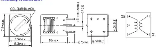
3It's not a pot, it's a variable inductor or transformer. – Spehro Pefhany Jul 25 '20 at 21:22
1 Answers
2
Internet says it is an inductor tuning frequency of sensor to 40kHz. Do not adjust.
Part number is probably K4000001 from Pro-Wave Electronics with an variable inductance of 10.6 mH at operating frequency of 40.0 kHz.
StainlessSteelRat
- 7,996
- 2
- 18
- 34


