Question
How to protecting circuit from piezoelectric disc voltage spike
Answer
The voltage spike might be as high as 30V. You can use a zener to clamp the spike, and NTC inrush current supressor to limit current. See appendices below for more details.


Notes
(1) It is not absolutely necessary to use the ICL (Inrush Current Limiter) NTC thermister to suppress the inrush current. An alternative is to use a series current limiting resistor, say 300Ω. However the NTC-5D7 with only 5Ω resistance should have a better performance.
(2) It is not absolute necessary to use the SPI 12bit single channel ADC MCP3201. The Arduino's GPIO pin with 10 bit rseolution should be OK to do the preliminary testing. For highly sensitive applications, higher resolution ADC, 16-bit, 24-bit can be used.
The MCP3201 is chosen for the following reasone: (a) Single channel MCP3201 is easier to learn and program than the though much more popular 8 channel 10 bit MCP3008. (b) I have written a tutorial and a fully debugged python demo program for MCP3208. So those not using Arduino, eg, Rpi, BBC Micro-ibt, Cortex M0 etc can use micro python or circuit python to run my demo program, with little program modifications.
/ to continue, ...
References
(1) tlfong01's piezo experiment, Rpi SE 2019
(2) Piezo Pickup Transducer 27mm Contact Microphone Trigger - Discs Elements for Acoustic Instrument: Guitar, Drum, CBG etc. with Leads $6.99/12Pcs
(3) MCP3008 SPI 8 Channel 10 Bit ADC Datasheet - MicroChip
(4) How to Build a Piezo Knock Sensor Circuit - Learning About Electronics 2013
(5) Piezo knock sensor circuit- Demo - Youtube 2013
(6) AliEXpress NTC-5D7 Thermister (In rush current suppressor)
(7) NTC (Negative Temperature Coefficient) Thermisters temperature sensor/transducer/in rush current limiter - Electronics Tutorials
(8) Comparing MOSFETs with BJT Transistors – Pros and Cons (Update - nowadays cheap, can trigger at 3V/5V TTL logic level) - 2019jun17
(9) MPF102 JFET VHF Amplifier N−Channel Depletion (VGS(off) -8V Datasheet) - On Semi 2006
(10) 2N7002 N-Channel MOSFET Datasheet - On Semi
(11) How to use MCP3008/3208/3201 with MCP3201 python demo program
(12) What is a piezo pickup? - espGuitars
(13) NTC Thermistors For Inrush Current Limiting - TDK
(14) NTC Inrush Current Limiters Application Notes - TDK 2015nov
(15) RS Pro LDE20-20Bxx AC/DC Converter 20W, (12V 1.6A, Inrush current 12A (115VAC), 36A (230VAC)) AC-DC converter - RS
Appendices
Contents
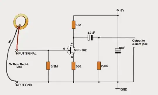
(A) Characteristic of the piezo pickup used in this answer
(B) Piezo pickup interface schematic
(C) Display of spike waveform of piezo with and without Zener diode protection
(D) Electromagnetic Buzzer Back EMF flyback voltage and current spike experiment
(E) Scope screen capture of Back EMF voltage spike
(F) NTC Thermistor as ICL (Inrush Current Limiter) Notes
Appendix A - Characteristics of piezo poickup used in this experiment
Piezo Pickup Transducer 27mm Contact Microphone Trigger - Discs Elements for Acoustic Instrument: Guitar, Drum, CBG etc. with Leads $6.99/12Pcs
Resonant frequency: ***4.6 +/- 0.5 KHz***
Resonant impedance (ohms): *300Ω max*
Plate material: Brass
For: Acoustic Instrument Pickups, Stomp Boxes, Contact Mics, etc...
Appendix B - Piezo pickup interface schematic
Errata and apology
My previous schematic has a typo error. The parallel resistor should read 1MΩ. Many thanks to @tomnexus for point out my silly mistake.

Appendix C - Voltage spike waveform display with and without Zener protection

Appendix D - Detecting (Electromagnetic Buzzer) flyback voltage and current spike experiment
Detecting (Buzzer) flyback voltage and current spike experiment 1/2
Detecting (Buzzer) flyback voltage and current spike experiment 2/2

Appendix E - Buzzer Back EMF 30Vpp 100 ns Spike Wavelet Selfie
The voltage spike can be as scary high as 30Vpp, But the duration is small 100nS. If the human finger lightly taps/knocks the piezo disc, the mechanical energy transferred to the piezo disk should be of the same order of the 5V electromagnetic buzzer's little hammer hitting the bouncing steel spring bar. It is tedious to use my scope's one shot trigger to display my tapping of the disc. So I used the buzzer to display the repeatedly back EMF voltage spike. I did use my scope to zoom in the spike and found her a pretty little wavlet, so I took a selfie picture for her.
Warning to the OP:
(1) But if you are using a big hammer to hit a big disc which is part of a percussion musical instrument, then the spike might be as ridiculous high as 1000+ volts! and for pretty sure fry your ATTiny85.
(2) Me only a friendly electronics hobbyist. No guarantee no nothing won't melt down or blow up, or electrocute a cat.

Appendix F - NTC Thermistor as In Rush Current Suppressor
NTC (Negative Temperature Coefficient) Thermistors temperature sensor/transducer/in rush current limiter - Electronics Tutorials

Inrush current suppressors and surge limiters are types of series connected thermistor whose resistance drops to a very low value as it is heated by the load current passing through it. At the initial turn-on, the thermistors cold resistance value (its base resistance) is fairly high controlling the initial inrush current to the load.
As a result of the load current, the thermistor heats up and reduces its resistance relatively slowly to the point were the power dissipated across it is sufficient to maintain its low resistance value with most of the applied voltage developed across the load.
Due to the thermal inertia of its mass, this heating effect takes a few seconds during which the load current increases gradually rather than instantaneously, so any high inrush current is restricted and the power it draws reduces accordingly. Because of this thermal action, inrush current suppression thermistors can therefore operate very hot in their low-resistive state. As such require a cool-down or recovery period once power is removed thus allowing the resistance of the NTC thermistor to recover sufficiently ready for the next time it is needed.
The speed of response of a current limiting thermistor is given by its time constant. That is, the time taken for its resistance to change by by 63% (i.e. 1 to 1/ε) of the total change. For example, suppose the ambient temperature changes from 0 to 100oC, then the 63% time constant would be the time taken for the thermistor to have a resistive value at 63oC.
NTC thermistors provide protection from undesirably high inrush currents, while their resistance remains negligibly low during continuous operation supplying power to the load. The advantage here is that they able to effectively handle much higher inrush currents than standard fixed current limiting resistors with the same power consumption.