I created my first audio amplifier circuit, which seems to work perfectly in Falstad Simulator.
I don't know if it would work if I were to actually build it, though.
Are there any improvements that could be made? Is there something I forgot to consider?
EDIT:
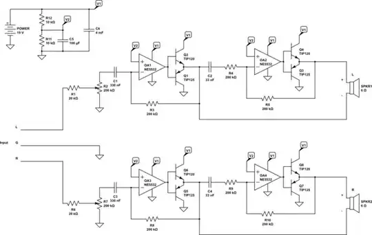
I have modified the circuit and settled on a version that I think I can finally expect to work. By the way, I am trying to make use out of my 19V 2.1A power supply and pair of 6Ω ?W huge speakers.
I don't know if anyone will still see this question again but I'll be thankful for any advice or criticism I receive.
EDIT YASS!:
I built it and it is a complete success!
As a simple quality test I played on it perfect sine waves of all audible frequencies at maximum volume, and the result are very loud perfect sine waves.
At maximum volume all frequencies above 200Hz play at a level of 100% while 60Hz plays at a level of 85% and the level quickly goes down as input frequency decreases.
I also did many other tests through the input looking for defects on the amplifier, and it is free of crossover distortion, DC on speakers, and unwanted noise.
Complete schematic:

simulate this circuit – Schematic created using CircuitLab