Never thought about it until previous part I used, 3.5 mm stereo jack, gold plated, has depleted in the place I was buying it from.
Research for replacement shows that such connectors may have gold or silver plating.
(gold) or
(silver)
Ok for gold - it does not oxidize under normal circumstances, and expected to last long.
But why silver? Here's a past question on the subject; however audio does not have high currents, and several milliohms of added resistance would not make much difference for non-Hi-Fi parts. The jack is not expected to carry RF signal.
Datasheets for gold and silver plated parts state same life cycle - 5000 insertions. Prices of the parts are comparable, I would expect parts with gold plated contacts to have higher price.
So what is the difference between gold (example) and silver (example) plating in this implementation - for 3.5 mm phone jack?
I read the dozen articles on the applied differences, and can not figure out a reason why silver plating exists for this application. Moreover, the plug can be dirty or wet, and it will even more deteriorate silver plating. Then, oxidized silver is hard to solder.
@BrianDrummond if actual plating is nickel, then the only explanation is that by writing "silver" in datasheet manufacturer means color. Well, then where is guarantee that gold plating would be a gold, and not "flavor or gold"?
@SpehroPefhany: audio application has nothing to do with high power. Special medical application sounds strange. Maybe the air nearby the connector becomes saint, or vampires will be afraid coming to the room?
@MarkoBuršič: I have seen this article, it is enough to look at the conclusion:
Conclusions: Having outlined the qualities and implications of using silver as a contact finish, there are many signal connector applications where it may be a very good finish choice alternative – but only if the design characteristics and application requirements are appropriate. Appropriateness should be determined by design and application analysis as well as product testing and by addressing customer needs and perceptions where needed.
to understand that it is about nothing and does not contain answer to audio connector question.
Edit: I am wrong about this article. We can make several conclusions out of it:
- Do NOT use silver - article is full of reasons why not to use silver plating;
- Units with datasheets stating that they have silver plating over copper alloy must not be used, per article: "At higher temperatures, oxygen will diffuse through silver to the copper alloy interface at a relatively fast rate and could lead to blistering if no nickel underplate is used" -> means that proper way is to coat copper with nickel, and then with silver. If done without nickel, then manufacturer does not know what it is doing.
@evildemonic did you see chips with silver plated pins? That would be very handy is chips terminals be soldered better if coated with silver plating. Re: RF - audio has nothing to do with RF; the only application I may think of is when headphones' cable serves as antenna for mobile.
@dandavis better conductivity does not convince me that silver is better for 3.5 mm audio jack. Gold still rules?
Update: after some more research I tend to believe that contacts themselves, the pieces of metal touching the plug, may not be coated with anything at all. These contacts may be bare nickel (as declared in datasheet), or "copper alloy" (which one?) or phosphor bronze, which all are seem resistive to corrosion and provide good contact. And all this gold and silver stuff is about "solderability" and units looking deluxe gems.
I am waiting for feedback from CUI devices and Tensility.
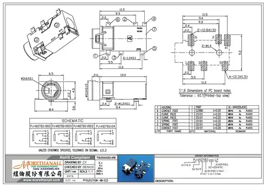
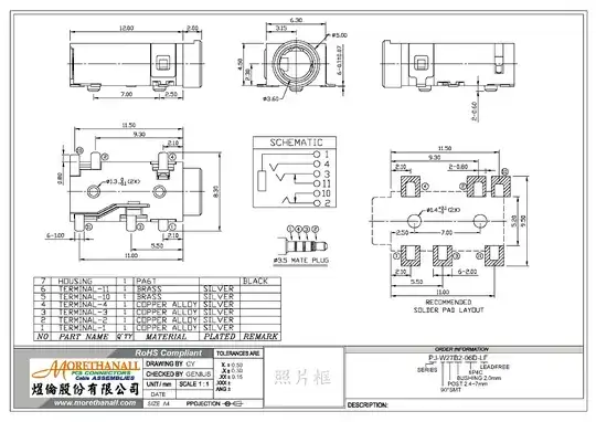
In addition to the research on the plating, I found out that connectors with the same part number, even made by same manufacturer, may have different datasheets, with differing dimensions, differing material of contacts, differing plating... wtf... see below - the connector I used before. No dates on the sheets to identify which one is latest.
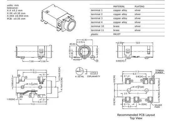
Good news from Tensility: the connector I have chosen, 54-00177, has its metallic parts - inner and outer contacts - fully gold plated.





