First, I'm still quite a novice in the electronics, so may miss some basic knowledge, but trying to learn anyway. That being said, here's my situation:
Goal: Control of the direction of the heat transport in a chain of Peltier devices. Basically, a possibility to swap hot and cold sides on demand (or turn them off althogether), by electronic means only.
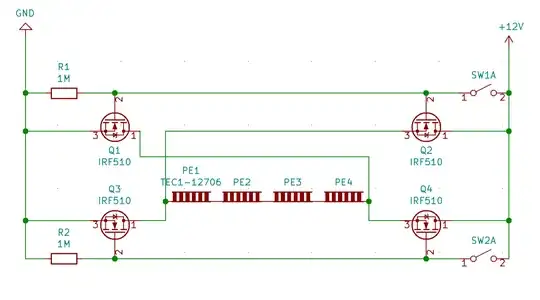
Current situation: To achieve my goal, I created a circuit controlling the direction of the current in the Peltier devices using MOSFETs (the gates are connected to switches for now, to be replaced by a microcontroller later). I drive everything with a 12V, 1.5A, DC power supply:
And principially it works as expected - switch SW1A makes the current to flow through Peltier devices PE1-4 "from left to right" (on the picture), switch SW2A "from right to left".
Questions: I've got actually two problems/questions related to my design:
Heat of the MOSFETs (Q1-4). They get very hot very quickly; can't give a number, but basically, after 4-5 seconds from closing the switch, the MOSFETs attached to it get so hot, so you can't really touch them anymore. My understanding is that their source-drain resistance should get very small when on, and while some heat is expected, should they really get that hot? Or do I do something suboptimal there?
Is it actually a good design for this kind of application? I'd be especially interested in reducing the number of transistors needed, but is it possible to build such a circuit without having at least two transistors for each direction of the current? (I know I'd need only one transistor if I was interested in only one direction, but can't find a way to use less than 4 to support both directions).
Note: I've read about PWM modulation, but assuming I understand it correctly, it'd reduce the cooling/heating power of the Peltier devices. What I mean is that I'm happy with how strong they are at the moment and how fast they get hot/cold when switched. My understanding is that PWMing the MOSFETs would inevitably lead to PEs getting less (average) current than they get now, which would reduce their heating/cooling power. Am I right here?
Datasheets:
PE1-PE4 Peltier Modules (TEC1-12706)
Bottom note: this is actually the first time in my life building anything with FETs, I only used BJTs before. So generally I'm still a bit confused about them.
