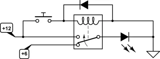
So essentially I have a 12v constant, a 12v switch power, and ground. I am powering LEDS with it. Essentially, I put a 12v to 6v step down to power the leds at 6v. However, I want the 12v switch to power them when the switch is applied, (the switch in this case is the brake pedal of a car). So it will increase the voltage then from 6v to 12v to increase LED brightness.. What is the best way to wire this with manual components? I'd like to not need an arduino.
Thank you!

