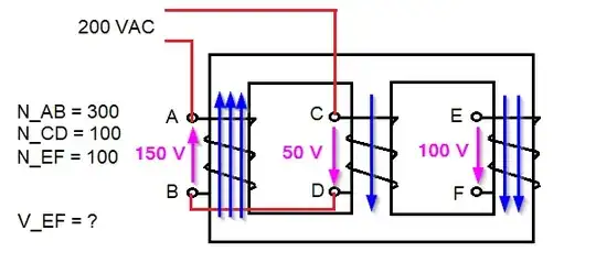
Given the circuit in Figure 1, how would one go about finding V_EF?
For me it is clear that V_AB + V_DC = 200 and that the current through windings AB and CD is the same.
In addition, Φ_1 = Φ_2 + Φ_3.
The approximation of the sum of magnetomotive force around a closed loop beeing equal to cero does not hold here. Why is it the case?
And how would the case in Figure 1 compare with the one shown in Figure 2?
Where Φ_1 + Φ_3 = Φ_2 and flux cannot be distributed in a per-turn basis.

I would appreciate pointers to relevant material on the subject. I have not been able to find examples of magnetic circuits with several coils as depicted. I'm not as interested in the specific case as in the more general principles at play.
Thanks.

