A very, very, very small amount of energy will reach the lamp at the speed of light travelling a direct path between the battery/switch and lamp (1 meter). When the switch is closed, current will begin to flow through the side of the wire with the switch, changing it's voltage relative to the other wire. The two parallel legs of the wire form a capacitor and a transformer, so current will begin to flow in the "bulb" side of the wire as well.
But it will be an extremely small current at first. The full length of the wire should not be taken into account when calculating the size of the capacitor and transformer because the step signal created by closing the switch will not have had time to propagate along the wire. For example, after 3 m/c seconds, an EM disturbance could have propagated 1 meter out from the switch, 1 meter across the space between legs of the wire, and 1 meter back. (This will happen in both directions, so x2). The capacitance formed by two 1 meter wires 1 meter apart will be extremely small. Hence the charge needed to raise the voltage across this capacitor will be extremely small. Hence the current through the lamp will be extremely small. (The transformer effect between the two legs of the wire will likewise be extremely small).
Will this extremely small power turn the lamp "on"? That depends upon what threshold one takes as "on". By most standards, the lamp will be considered off at 1 m/c seconds, and for a considerable period of time after. By those standards, Veritasium is wrong. However, Veritasium is correct insofar as some energy will be delivered to the lamp at the speed of light.
Assuming, as he does, that the wires have zero resistance, the bulk of the power will not arrive until much later, which depends upon characteristics of the transmission lines consisting of the pairs of wires. Once again, there is fuzziness involved in how fast a step signal passes along a transmission line. "When" the signal arrives depends upon the threshold for detection. However, for a "reasonable" sized threshold, the velocity of a step signal through a transmission line is noticeably less than the speed of light, typically 0.5-0.7 times the speed of light. And the length one uses in calculating the time delay is the length of the transmission line, not the shortest path between the wires.
The crux of a disagreement?
In a comment, I wrote in part:
...the current on the side with the battery and switch is not immediately balanced with the current on the side of the lamp. Assume battery is 12V and that it "sees" a 1k impedance, then 12 mA will flow on that side of the transmission line. But it does not follow that 12 mA will be immediately flowing on the other side, where the lamp is. It is only the current flowing through the lamp side lights the lamp.
To which @Neil_UK in part responded:
...My assumption is that the lines have no capacitance to ground, the video demo shows them all floating, so current round the battery-switch-txline-lamp-othertxline-battery obeys current continuity, equal in all parts of the circuit, as it would be for isolated floating lines. Introducing the large capacitances to ground that would be required to get significantly unequal currents is an unneccessary complication in my view
I am willing to be corrected, but I believe that "current continuity" in this case is a poor assumption, and the truth is very far from it. Let me explain.
By an assumption of "current continuity", I understand the assumption that the (conduction) current through the battery and switch is at all times identical to the (conduction) current through the lamp. (Or at least the difference is negligible). I am qualifying the term "current" with the term "conduction" because there are two kinds of current that need to be considered. Conduction current, which is the flow of charges, and displacement current, which is a constant times the rate of change of the electric field. This latter form of current is commonly ignored, but is essential for there to be current continuity through capacitors. It is the sum of conduction current and displacement current that is "conserved" in a circuit.
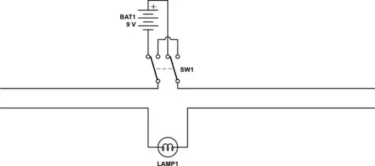
I believe that conduction current is NOT equal between the switch/battery side of the transmission line and the lamp side, nor even close to equal, in the early period after the switch has been closed, but before the EM signal created by closing that switch reaches the far end of the transmission line. To illustrate why I believe this, consider a one light-second long dipole antenna center-fed by a battery and a switch.

simulate this circuit – Schematic created using CircuitLab
I have used a DPDT switch in this example, whereas Veritasium used a SPST switch. The purpose of the DPDT switch is to allow the two sides of the antenna to be easily brought to the same potential.
If the two sides of the antenna are originally at the same potential, and then the switch is flipped to bring the battery into the circuit, current will flow through the battery, and in each side of the antenna. Assume that this antenna is the only thing in the universe. The conduction current in the antenna is not balanced with any conduction current in "the" return path, because there is no return path! (Or perhaps more correctly, there is no return path for the _conduction current. The return path for the displacement current is the electric field lines between corresponding parts of the two halves of the dipole). Nevertheless, the total current, which includes both the conduction current and the displacement current is the same throughout the length of the antenna. If the conduction current at the feedpoint is I, but at some place x it is Ic, then electric field at x is changing such that the displacement current Id plus the conduction current Ic sums to I.
$$I = I_d + I_c$$
Now consider a second dipole antenna separated by 1 meter from the first, with a lamp across it's center-feed lines.

simulate this circuit
If the two halves of the upper dipole are originally at equal potentials, and the switch is flipped so that the battery is brought into the circuit, current will flow in the upper dipole. This will cause current to flow in the lower dipole as well. But will the currents in the two dipoles be equal? Only if the coupling between the dipoles is 100%. If the dipoles are 1 meter apart, and the wires are thin, then initially, we can expect the coupled current to be small. However, as the current spreads towards the ends, the the coupling may increase, (even though the conduction current will decrease as we approach the ends of the wires).
I assert that in Veritasium's thought experiment, it doesn't matter whether then ends are connected (as in his description) or not (as in the example immediately above) until enough time has elapsed for the EM signal generated by the flipping the switch to reach the ends of the transmission line. At least 1/2 second.
I therefore assert that for the first 1/2 second, the current in battery and switch side will NOT match the current in the bulb side.