I'm currently working on a bicycle project where I have mounted a 25cc 2-stroke (weedeater) engine at the rear of a bicycle. I have also created a speedometer (based on Arduino) which is mounted on the handlebar. The problem is that whenever I start the engine, after a few moments the Arduino stops working (presumably due to interference from the engine). The project runs off a 12V lead-acid battery which was attached to the engine's magneto (for charging), but I have since isolated it trying to find what's causing the issue.
I have tried:
- Electrically isolating the engine from the Arduino project
- Using a snubber diode on the battery terminals
NOTE: The "Arduino" is a standalone ATmega328P mounted on a PCB.
Here is how it looks like when the Arduino crashes:

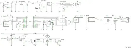
I have attached a Fritzing diagram you can also have a look at but ignore the engine part since it's no longer connected for obvious reasons.


