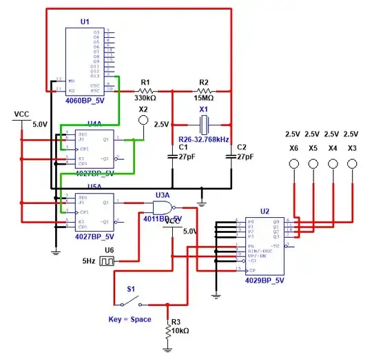
The frequency counter in Figure 2 has a range of 0 to 9 Hz and a resolution of 1 Hz. The schematic for this circuit is shown below:
I'm trying to understand how this circuit works and how to increase the range of frequencies it can measure to 0 to 99 Hz with a resolution of 1 Hz.
A frequency of 0.5 Hz is connected to one input of the NAND gate and a frequency of 5 Hz from a signal generator is connected to the other input of the NAND gate. I know that the frequency output on the CD4029 is the same as the signal output of the signal generator, which is 5 Hz.
So does that mean the larger signal input on a NAND gate is always the output frequency of the NAND gate? And what is it that affects the range of frequencies that can be measured? I'm guessing that the BIN/DEC pin would have to be changed to binary but wouldn't that just limit the range to 15 Hz?

