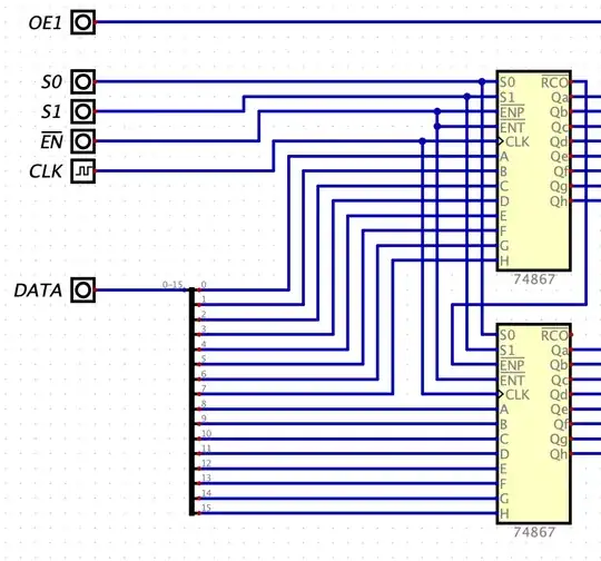
A few 74-series counter ICs I’ve looked at have two enable pins, and they’re labeled “T” and “P” (for example, the 74LS161A, or 74ALS867A). The “T” input affects the ripple carry out, and the data sheets say this pins are used to enable cascading ICs, but they’re not precise about how to connect them.
After some experimentation, I tied the ENT pins together to use as a global enable, and tied the RCO of the lower stage to the ENP input of the upper stage:
This behaves as expected, but what do “T” and “P” stand for?
Update: Spehro’s answer gives the names for P & T, but I’m also looking for an explanation of why the subtle difference in internal handling of the two signals is useful, since both must be asserted to count. ErikR’s answer references a video that discusses the carry out propagation delay, and there might be some insight there, but I didn’t quite get it on first viewing.





