1

I'm assisting in the creation of a solar powered battery charger with an Enable line to prevent the battery from attempting to power the solar panel eg on a cloudy day. We initially tried a simple MOSFET, but forgot about the body diode, which allows drain-source current even when the FET is off. Is there a way to circumvent this somehow? A diode is the obvious solution, but we'd prefer to avoid as much power loss as possible in order to keep the battery charging even if the weather isn't ideal. Additionally, we're anticipating up to 2.5A in ideal conditions, which would take a rather beefy diode and sink close to 1.5W with a typical 0.6-0.7V drop.

MOSFET circuit

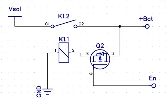
No other transistor seems to fill this requirement; currently we're looking at relays, which we'd have to configure to use the battery voltage across the coil as the En line will be driven by a GPIO pin of the micro (ATTINY25)

Relay circuit

Is there a simpler solution we're missing? Vsol could be 12 or 24V depending on configuration.

Isaac Middlemiss
  • 668
  • 6
  • 22

2 Answers2

5

Usually, you'd use two MOSFETs back-to-back and hooked to the same control circuit. It doubles your RDSon but at low to moderate currents it's still more efficient than diodes.

LTC4372 application schematic

Schematic from the LTC4372 datasheet.

vir
  • 18,294
  • 1
  • 16
  • 36
  • I did see these (bidirectional power switches?), but don't they rely on using the body diode of one of the FETS? – Isaac Middlemiss Feb 13 '23 at 22:20
  • 3
    @IsaacMiddlemiss these types of mosfets are bidirectional. When they are on, they conduct current with low resistance in either direction. When off, they conduct in one direction through the body diode and do not conduct in the other direction. With back-to-back mosfets, assuming they are both on, you have a very low resistance path. – user57037 Feb 13 '23 at 22:22
  • 3
    The body diodes block each other, the current path when on is through the inversion layers of both devices. – vir Feb 13 '23 at 22:23
  • There are IGBTs without an anti-parallel body diode. But they have the same characteristics of a BJT, except for MOSFET-like drive. https://www.infineon.com/cms/en/product/power/igbt/igbt-discretes/discrete-igbt-without-anti-parallel-diode/ A JFET does not have the intrinsic diode, but it is not suitable for high current power applications. https://electronics.stackexchange.com/questions/125119/which-kinds-of-fet-have-a-body-diode – PStechPaul Feb 13 '23 at 22:29
0

The mosfet will work fine. Just reverse the drain and source so the body diode is reverse biased when the panel voltage is lower than the battery voltage. I copied your schematic and flipped the mosfet in MS Paint.

enter image description here

This gives you the ability to prevent the battery from discharging into the solar panel. But it cannot block the current from panel to battery. If you want a bidirectional switch, you will need to use two mosfets in a back-to-back configuration. (Like in the other answer by vir).

user57037
  • 29,324
  • 1
  • 30
  • 85
  • The downside of this would be that the solar panel will always be charging the battery whenever it's sunny, wouldn't it? – Isaac Middlemiss Feb 13 '23 at 22:21
  • @IsaacMiddlemiss this would not be the whole circuit. This is just the little bit you add on to the existing circuit to prevent discharge of the battery into the panel. If you need to prevent charging also, then you could use two back-to-back mosfets like vir showed. – user57037 Feb 13 '23 at 22:23