What is the simplest op amp level shifter? That is, no gain and both inverting and non inverting configurations, for AC coupling
-
You've added/edited "ac coupling" - do you mean the input is ac coupled, the output is ac coupled or both? – Andy aka Mar 25 '14 at 12:56
-
You need to be more clear about what you want. What's your input (both AC and DC) and what output do you want? – endolith Mar 25 '14 at 17:47
-
AC in, AC out with a DC bias – Mar 27 '14 at 08:31
4 Answers
You can't have a single op-amp configured as a non-inverting level shifter (with no gain) because with no-gain the non-inverting input is at the same potential as the output thus preventing the ability to create an offset. You could achieve this with two op-amp circuits cascaded but, simplicity has gone out of the window. You could have gain and get a non-inverting level shifter but then you'd have to reduce the gain afterwards.
I don't think the questioner may appreciate this - questioner to comment?
- 456,226
- 28
- 367
- 807
-
-
@SpehroPefhany Now he's confusing me - what's the point of dc level shifting if it is AC coupled - maybe he means ac coupled at the input. – Andy aka Mar 25 '14 at 12:55
-
An AC signal input and an AC signal with DC offset as output. Maybe + terminal connected to DC offset, with capacitor coupled to unity gain - input? – Mar 25 '14 at 12:59
Something like this?
Two AC-coupled inputs, one inverting, one not. One DC-coupled input. Gains of -1,+1,+1 respectively.

simulate this circuit – Schematic created using CircuitLab
- 397,265
- 22
- 337
- 893
-
-
@DirkBruere V1 is the offset input which sets the DC level of the output (+1V in this case). – Spehro Pefhany Mar 25 '14 at 14:18
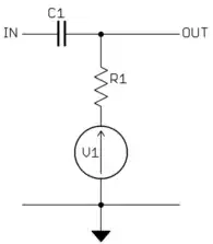
You don't need active circuitry like a opamp if you want to shift the average DC level of a AC signal without amplification. This is all you need:

Set V1 to whatever average level you want the signal at OUT to have. C1 and R1 form a high pass filter. This filter is what distinguishes the frequencies that are part of your AC signal and not the "DC" level.
For example, if the AC signal were HiFi audio, then it contains valid signals down to 20 Hz. To not cut into the 20 Hz content much, you might put the low pass filter rolloff at 10 Hz. C1 of 100 nF and R1 of 160 kΩ is one combination that would do that.
The other consideration is the impedance, both as seen by whatever is driving IN and how much load OUT can tolerate. If OUT is going into a high impedance amplifier input, then 160 kΩ for R1 in the example above may be fine. For other applications, a lower impedance may be needed. For example, you might want R1 to be 16 kΩ, in which case C1 would need to be 1 µF for the audio example.
- 313,258
- 36
- 434
- 925
Assuming you just want to shift your AC voltage to the half voltage of a given DC supply, you can do that using a simple capacitor to remove the signal DC component, followed by a voltage divider to add an offset:

simulate this circuit – Schematic created using CircuitLab
R1 and R2 from a voltage divider and their values can be changed according to the DC offset you want. Note that you can also use a potentiometer instead, which allows you to tune the offset. If you really want to use an opamp, i.e. for impedance adaptation, you can add a follower at the output.
EDIT: You can also use an inverter between the cap and the voltage divider, if you have to invert the signal.
- 73
- 2
- 8