I've got my 2KW heater controlled by a home-made dimmer, on 230V/50Hz mains. It's using the common TRIAC delayed command process. The TRIAC (BTA24-800BW) is a snubber-less kind, drived by an (non zero cross detect) opto-triac (MOC3021) parallel mounted on A2/G.
When switching on, the line voltage can fall by more than 100V in less a µS and re-stabilizes in about 20µS. This wave floods the whole home grid, an illustration is that it even makes the induction hob noticeably noisy. Indeed, the maximum effect is at mid-power so when the mains voltage reaches its peak (320V).
I've tried to put a non polarised 1µF capacitor on the dimmer plug, this reduces only by less than 50% the spike. I also tried to put the capacitor on the induction hob plug, but observed the noise doesn't clearly reduce !
Once the induction hob died but the warranty where still running. I can't proove if my dimmer spikes could be implicated, but I'm nearly sure my device is far no conforming to basic electrical standards.
So my question is : What's the best solution to fade the spikes. And L/C filter ? On the mains side or heater side ?
The scope screen-shots (from wide time scale to very tightened) :
peak's magnitude (peak acquire mode) at mains frequency scope :
resonance after the spike, recovery time :
zoom on the spike itself :
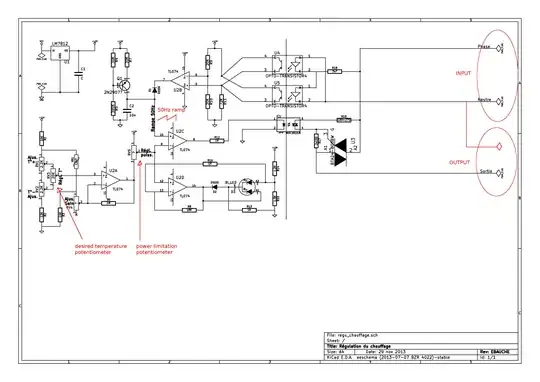
nearly exact schemata (lately reconstructed) :
Asked
Active
Viewed 3,648 times
4
Zebu1er
- 41
- 1
- 4
1 Answers
1
You need an inductor in series with the circuit. To make the mains voltage collapse there is a lot of current flowing into your heater for a short time. An inductor will choke this, while allowing the 60 Hz current to flow.
An example value of 1 mH will present a 0.4 ohm reactance to the mains frequency current, so will drop a few volts with a 2 kW load. But it will present a 1000 ohm reactance to the spike in question, in the <10us time range. This might be a bit much inductance, requiring a large core and coil, but you could find something suitable in the range 100 to 1000 uH.
Edit: looking at your circuit, you could place the inductor on the output side of your circuit, so it's in series with the triac but not with the control system.
tomnexus
- 7,754
- 3
- 20
- 35
-
Yes that's what I thought of, but was afraid of the inductance size. One over problem is the over-voltage induced during switchings, specially when placed near a semiconductor, in case the triac. In fact what your proposing is to me an LC filter. Even if you don't put any parallel capacitor it will oscillate, the faster and the higher. This triac is said snubberless, I think meant to "disengage" at lower intensity than a regular triac. But is this enough to face the inductance spike ? – Zebu1er Dec 19 '14 at 11:24
-
This drives me to think the inductance would be easier on the mains side, but maybe with a parallel capacitance on its triac side to limit possible glitches... – Zebu1er Dec 19 '14 at 11:32
-
1@Zebu1er I don't think the Triac will suffer from overvoltage. When it turns on, it has a low impedance, the inductor will significantly reduce the current (from the enormous peak you have now). It turns off at the zero crossing, so limited overvoltage. There will be some ringing at switch-on, but overall a lot smaller magnitude than what's happening now. – tomnexus Dec 20 '14 at 14:25
-
To best figure my situation I add my late schemata reconstruct / formalization. – Zebu1er Dec 11 '14 at 13:10