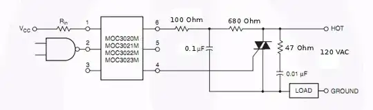
I keep frying resistors in the following optocoupler and triac snubber circuit, and I'm not sure whether to attribute this to bad design, or to faulty components.
- There are no observable sparks at turn-on, but the 680-ohm resistor burns out within seconds.
- I'm using 1/4W through-hole resistors.
- The power triac gate triggers at <= 35mA.
- The load is a ~50W fan that runs on mains power.

If my understanding is correct, the steady-state (ON) power dissipation of the 680-ohm resistor should be less than 0.1W.
If you agree that my design is reasonable, then what component do you suspect is faulty, and why?
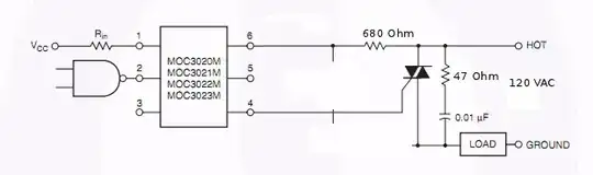
I also tried the following circuit, but again, the 680-ohm resistor smoked when I put the optocoupler in the ON state:
