
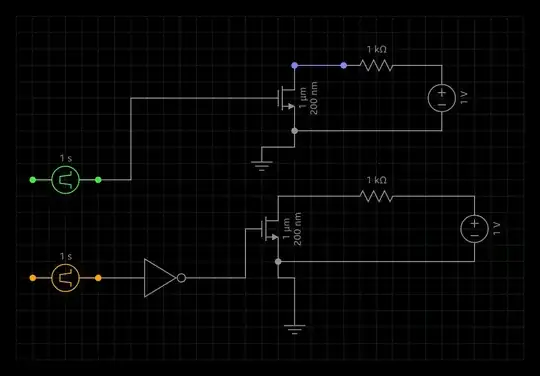
My intent is to make sure that when the top mosfet is on the bottom mosfet is off and vice versa. I'm really not sure that this accomplishes the goal. Is there some better way than this? I'm using two current sources that are configured to one second intervals. My sim doesn't look quite right when I turn it on both 1V batteries are pumping current through the mosfets.
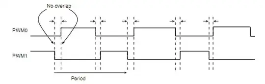
I tried the PWM it was a little too complex for me right now but I did come up with something I though maybe works too:

So this must be what the PWM diagram is kind of saying:

Thank you

