I understand the use of the Zener but what I don't understand is one topology uses two components, but why can't the other topology be used ?

simulate this circuit – Schematic created using CircuitLab
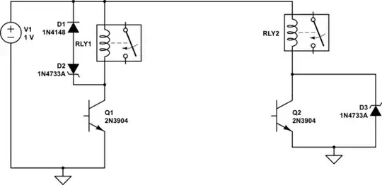
The circuit on the left uses two components (D1 and D2), whereas the circuit on the right only uses one (D3).
I can't really see a difference between the two, other than that the left might decay a bit faster because of of the higher clamp voltage, but aside from that, I would imagine they operate the same.
So why do most schematics I've seen with regards to coil suppression use a series diode zener pair ? There must be something I am not seeing or understanding.