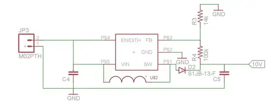
I have designed a board that uses the MIC2251 (SOT-23 package) boost converter to boost 5v from a USB charger to 10v, to power some 2 series LiPo chargers.
http://docs-europe.electrocomponents.com/webdocs/1065/0900766b81065118.pdf

(source: think-engineer.com)
I am experiencing a serious overheating issue, when a single battery is connected the boost converter should be supplying 10v @ 40mA (These are button cell LiPo's). The boost converter and the diode get very hot.
When hooked up to a bench supply the boost converter was drawing an expected current of 10's of mA's, but it got very hot, and after ~5 seconds, the current draw jumped to ~250mA and the boost converter cut out for a second, then this cycle repeated... until the boost converter died. By died, I mean that there now seems to be a short between VIN and GND.
I am using a 10uH inductor, rated at 2.2A, 58mOhm: http://docs-europe.electrocomponents.com/webdocs/0f90/0900766b80f90d1a.pdf
Both capacitors are 10uF 0805 16v.
R1 is 100K, and R2 is 14K
Diode is S1JB-13-F Switching Diode, 1A 600V: http://docs-europe.electrocomponents.com/webdocs/104b/0900766b8104bc04.pdf
I did not put much in the way of thermal relief on the PCB, as I assumed that drawing only ~120mA would not be to strenuous for a boost converter rated at 2A. I have just tried adding a small heat sink to the boost converter and the diode, and I am experiencing the same problem.
Have I done something wrong regarding component selection?
Please can someone explain why the components are getting so hot, and what design considerations would effect the temperature, and how I can get this module to run stably and at a happy temperature.
The intended load is three LiPo chargers based on MCP73844-840I/MS. When I power these with 10v from the bench supply, they work fine and draw the expected current.
I have tried powering an arduino with this converter circuit and I get the problem
– Steve Aug 07 '15 at 14:43