So what he calls the magnetizing inductor isn't a real part.
The magnetizing inductance is real, the ideal transformer is the part that's not so real. An ideal transformer usually depicted like below has infinite magnetizing inductance and can store no energy (which means is not good enough to model a flyback). In an ideal transformer, no (AC) current flows in the primary when the secondary is open-circuit (because i2=0 iff i1=0 [easiest to see when n=1 so that i1=i2]).

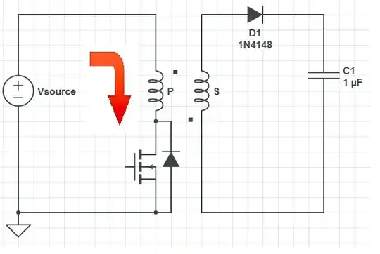
So how [in your opinion] would any current flow/charge the flyback if didn't have magnetizing inductance, since on half the time the circuit looks open-circuit on the transformer's output?

An ideal transformer also has no magnetic field which is another unreal part about the ideal transformer. But that's not what happens in real life with a real transformer. Instead a real transformer is made of real inductors, that aren't infinite. So you have the following equivalent circuit (for a less unreal transformer that has winding inductance):

If the coupling is ideal (k=1) in this latter model, then leakage inductance can be ignored (becomes zero) but the magnetizing one does not!
Note that in [LT]spice it's impossible to even simulate an ideal transformer (using inductors) because in [LT]spice you can only create it by coupling real inductors, which have non-infinite inductance! (If you actually want to simulate an ideal transformer you have to do something silly like this using controlled sources.)
Here's what happens with a less unreal transformer: you can have current flowing in the primary even when the current in the secondary is negligible/zero.

Here because I2 is negligible, I1 is the magnetizing current, flowing through the magnetizing inductance. You can see it's 90 degrees out of phase and its average value is 3.18mA, which is exactly \$ V_1/ j\omega L_1\$, i.e. \$ 1/(100\pi)\$ in magnitude in this 1 V, 50 Hz (and 1 H inductance) example.

Sorry if I broke the high-school physics curriculum. And yes the flyback does work exactly like Erickson said, current only flows in one winding at a time.

I guess you are confused [of what happens on the primary] because you've heard somewhere that the current of an inductor cannot change suddenly. And that's true, but a flyback "cheats" by having two coils wrapped around its core. If you want a more prosaic description, the collapsing magnetic field "wants" to cause
the coil voltage ouptput to rise. But in the case of a flyback it has a "choice" because there are two coils around its core! So it takes the "path of least resistance" and causes the secondary voltage to rise because the resistance there is much lower when the FET is off.
More concretely, you can see above that the MOS voltage drain goes up to [roughly] twice the supply voltage when the FET goes off. So in this respect the flyback does work exactly like your average inductor "protesting" that you cut its current path. But when the drain voltage becomes twice the supply, the voltage drop across the [ideal transformer] winding is high enough (i.e. equal to supply) to open the diode on the secondary side. That's what actually saves the flyback form creating some kV arc on its primary (like a regular inductor would). Once the diode on the secondary opens the rising voltage [reflected there] meets the capacitor, which opposes sudden increases in voltage at its terminals, so the rapid increase in voltage becomes manageable. Conceptually, the magnetizing inductance charges the output cap through the ideal transformer, exactly like Erickson said.

There is nothing incorrect or deeply mysterious about that.
Pstarts to collapse, it will generate a positive voltage from the top end ofPto the bottom end ofP. The classic analogy is that an inductor is like a flywheel for current- current wants to keep flowing in the direction is is flowing even when the voltage across the inductor changes. – bigjosh Dec 04 '15 at 21:50