
simulate this circuit – Schematic created using CircuitLab
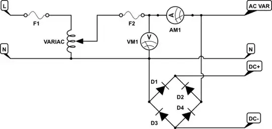
Figure 1. Variac with AC and DC output.
You are building a power supply as shown in Figure 1. Everything in your question sounds right except for "resistor stabilized" (so you might want to clarify that).
F2, a fuse or a circuit breaker, but not auto-resetting will give good output protection. The rating should be less than or equal to the max permissible output current of the transformer.
- Try and connect the "bottom" of the variac to the mains neutral. This ensures that the N output line is always close to ground potential (and eliminating one shock hazard) and when the variac is at a low setting the AC VAR (variable) line is also close to ground.
- Note that the DC outputs jump around relative to ground. e.g., consider a 50 V peak-to-peak AC output: when AC VAR is at +50 V then DC+ will be at +49 V (through D2) and DC- will be at +1 V (through D3). When AC VAR is at -50 V then DC- will be at -49 V (through D4) and DC+ will be at -1 V (through D1). (For simplicity I've assumed that each diode drops 1 V.) The point is that both positive and negative terminals in this configuration are changing with respect to N and to earth. To learn more about the hazards for the unwary see Help learning from a mistake connecting an oscilloscope.
- If you want to smooth out the DC then add capacitance of suitable voltage rating between DC+ and DC-, observing polarity. In this case the AC voltmeter will be inaccurate and a DC meter should be added between DC+ and DC-.
Meters
If the AC meter is an analogue type then it will be calibrated to give the RMS value of the sinusoidal voltage. The unsmoothed DC voltage will be the same (less the diode voltage drops) and should be good enough for general purpose experiments. You can always hook up a multimeter to get better resolution if you require it.
When you smooth the output with a DC meter the situation changes a bit because the capacitor can store up charge between pulses from the rectifier. The capacitor can charge up to \$ \sqrt 2\$ times the RMS voltage. (Plenty of articles explaining this here and on the web.) That's why you may want an additional DC meter for the DC output.
The AC ammeter will give you a good indication of AC or DC current. The DC is the same current - just rectified.
By the sound of things this is an experimental variable power supply. Fitting even crude meters is a good idea because it gives you some feedback of voltage and current as you wind up the voltage and you'll spot a problem before you smell smoke. Use the multimeter for finer measurements.
By the way, variacs are great for powering up old valve equipment such as radios, amplifiers, etc., as the capacitors may be fragile if they've not been powered up for a long time. There are many articles explaining how to "recondition" the capacitors by powering from a variac and letting the capacitors "soak" at 25%, 50%, 75% for a time (minutes / hours) before applying full voltage.