I have an IRF3205 MOSFET in a TO-220 package, and I would like to know where the drain, gate and source are. I can't find this information.
Asked
Active
Viewed 2.2k times
3
-
3It's gate, not grid. Grids are for valves. – Federico Russo Nov 18 '11 at 12:41
-
15Time to discover datasheets – stevenvh Nov 18 '11 at 12:52
2 Answers
17
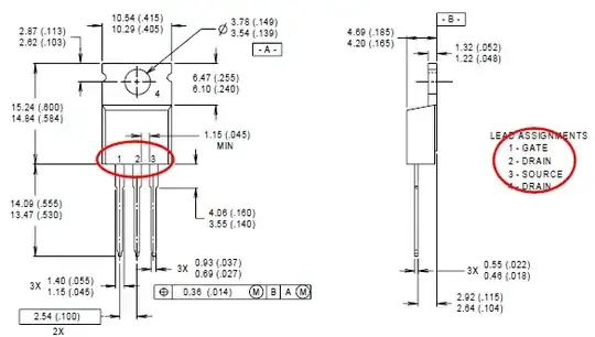
The information is available in the datasheet as you might expect (fourth hit on google).
Here is the relevant bit (page 8 of the datasheet):

So Gate, Drain, Source, and Drain on the tab.
-
1Sorry, I had the datasheet but didn't find the information. Even with your picture, I couldn't find the pin assignments right away. (They're on the right for those dumb like me) – Mildred Nov 18 '11 at 12:53
-
4I agree, it's not a good layout and I always have to look twice to find it. Once you know though it's easy to spot. – Majenko Nov 18 '11 at 13:21
-
5For you datasheet writers: Best is to put the pin assignment diagram on the first page, and to make it 3D for parts like these. Sometimes I wonder if a 2D drawing is from above or below (or even front/back if the front side is not so well defined). – starblue Nov 19 '11 at 08:49
-
5@starblue - everybody wants to have the for him relevant information on the first page. Maybe we should have datasheets with only a page 1. Size should be A$_{-2}$, of course. – stevenvh Jul 28 '12 at 13:54
-
1Meh, every other semiconductor company puts the pinout on one of the first three pages, often depending on the number of packages and the pin count. I never understood why IRF and maybe a handful others put their pinouts at the end in the middle of some package drawings you normally never bother looking at. – dom0 May 09 '13 at 15:15