firstly apologies I'm a newbie at practical electronics!
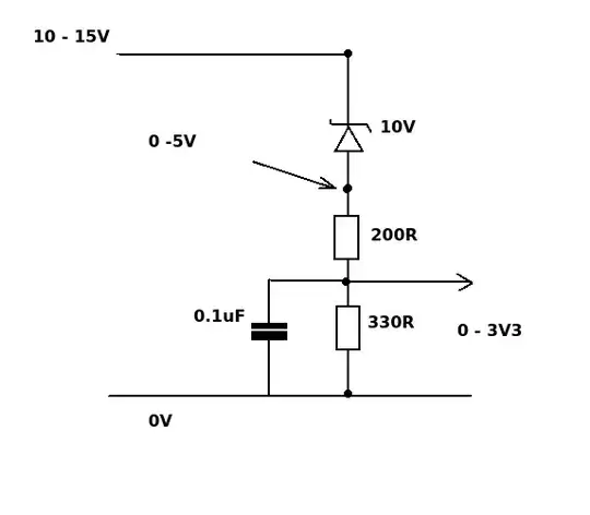
I have a sensitive little thing which can measure 0-3.3v DC in steps of 0-1023. I'd like to use it to measure the voltage on a "12v" vehicle battery - which as I'm sure you know can go significantly higher when being charged through an alternator so really I need to figure out the following:
What circuit can I design to take a DC input of between... 10v and 15v... DC and bring it down to <3.3v in such a way that I can still measure the difference?
I have seen some similarish posts but all have been (a) relatively specific and (b) not explained in laymans terms that I could understand.
thanks
