Problem:
my photo diode recieves pulses of width 10ns-150ns and repeating at rate of 1Hz-50KHz
the current from photo diode depending on incident light can go from 10nA-100mA, so i have two photo diodes to cover the dynamic range, what i want to do is limit the current from a photo diode to 5mA lets say in one channel
Approach Followed:
in search i found some thing similar to my need here
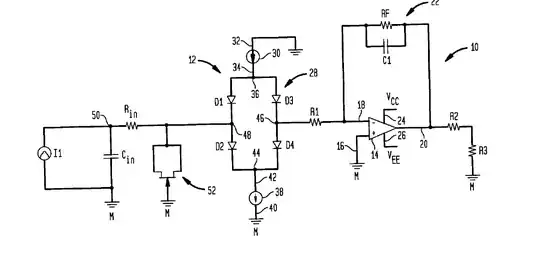
the patent claims: in the picture the current sources 30 and 38 are the maximum current at which the TIA saturates, as soon as the TIA saturates, the schottky bridge isolates the TIA from source,
i have less idea whether the patent circuit can work for pulsating current, but when i tried the results did not show any difference
if you think this is not the right circuit for my application, kindly let me know if any other approach i can follow to put my TIA away from excess current than saturation,
EDIT: with constructive comments i have changed the FET to p-channel which worked like charm, but i am not very clear of
how to select the schottky diode and also the pJFET for much better response
if you see below schematic i have given a trail of pJFET of all available with LTspice, and same with schottky
Result after change in type of FET to PJFET, you can clearly see the input current being more than current sources
How to realize 30 and 38 on practical circuit ?, how can i create stable dc current sources ?
EDIT:
How to realize 30 and 38 on practical circuit ?, how can i create stable dc current sources ?
Work Done:
for realizing these current sources i have chosen a 2 terminal programmable current source from LT, which solved the problem to an extent, but few problems still exist
Modified Design:
Results with 10uA pulsating input:
Results with 100mA pulsating input:
further work:
even though the excess current is limited i want the waveform not to distort, kindly point out flaws in the design
PS: an unclear but similar question present here





