I wanted to ask (can't find a straight answer) if it is possible to make a half bridge with two N-channel MOSFETs (I have the solution with one nmos and one pmos, but I'd like two nmos).
For the botton Nmos I have a gate driver that is referenced to Ground and V-, and is active low. I'm not sure how it would be with the top nmos.
any help would be appreciated. Thanks you very much.
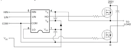
edit: to answer a couple of questions, this is more or less the system. Ignore values of the load. This is just to show how is the set up. The FPGA gives 2.5/0 V signals (one to turn on a MOSFET and one to turn off the MOSFET). Each driver receives those two signals and it is composed of a BJT stage to bump up the signals and an other BJT stage to drive the mosfets. I cannot show my driver circuits, but the bottom driver is supplyed by +2.5v (this would be the reference) and -24V. I'm just not 100% sure how to make the driver for the top MOSFET, for my current circuit with a top PMOS the gate driver is between +24V and GND
Load to the Half bridge is a LP LC filter and a phase of a motor

