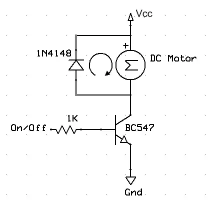
I've had frequent failed switches on my portable automobile air pump. The last time it failed it shows sparks on the switch. I've been reading around and it seems that I need to add a diode across the motor, something like 1N4004 seems to do the job. However, I'm really confused to where the diode will fit?
The motor has 2 wire coming out of it. So do I put the diode across it? Then where does the switch fits afterwards?
The motor is DC 12-13.5V with max of 12A. (The label says so), it is usually powered by ciggarate socket on the car.
One last thing, since it's DC, I've made the assumption that I didnt need to go for RC snubber circuit. Is this ok?
Thank you.
