There are more things that you can learn about this design.
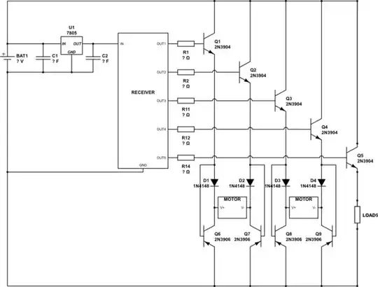
Let's start from the upper left corner of the schematic.The part with the label "7805" on it is a voltage regulator,and it's part of the linear family(which is noted for the amount of heat it generates compared to switched regulators).That means it will dissipate some of the voltage you put at the input in the form of heat in order to maintain a fixed voltage at the output(5V in our case).Its presence in the circuit can guide you to on how to choose a battery:this regulator needs an input voltage of at least 7,5V and up to 35V.So any battery or any battery setup in this range will work.
You specified something about the capacitors.Their role is to keep stable the operation of the 7805(to add a maximum of reliability to its operation,to make sure the IC works ok).They don't work as you mention here.Something similar to what you said can be seen in the design of the DC-DC boost converter.Fortunately,it's easier to choose their values.A 330nF for C1 and a 100nF for C2 will do.These are the values indicated by its datasheet.Also,see this question for more information.
Let's pass to the transistors.A transistor can work in three modes:active,saturation and cutoff.As Jim Fischer stated in a comment,and as I see the way it's intended to function,the transistors should be in saturation,although I don't know what the motors are for.A saturated transistor acts as a current controlled switch.Once a current runs through the base,another current will have a path to flow through the collector.Resistors are chosen carefully so there will be more current through the base than the collector needs,making sure that the transistor turns fully on.
There are two types of transistors in the schematic:NPN and PNP.The difference between them is the polarity,so also a difference in the way they are connected to circuits.What I said applies fully to the NPN type.Here comes into play another dissimlarity:the keywords for this one are IN and OUT.The PNP is related to the second.The amount of current that flows out the collector is controlled by the amount of current that flows out of the base and this ultimately sets the current through the emitter.The emitter connects to the positive supply rail,not the the negative side of the battery,as shown in your post,so the PNPs won't work.They are connected wrong.

simulate this circuit – Schematic created using CircuitLab
It will help you understand everything better if you search around the web for the things I mentioned.