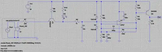
I’m planning to implement the following Schmitt-trigger circuit:
(left-click to enlarge)
I made some updates with the great suggestions of jonk in my previous question:Some questions on optimizing a Schmitt trigger to eliminate possible glitches.
But now I have two points bothers me regarding these kind of circuits here:
1-) First of all, I just learned that one can add a noise to a signal as in the following way by using behavioral current:
Above a white noise is added to a 4Vpp 10Hz sinusoid.
But in my circuit the switch causes the input signal so wherever I add this current source I get very weird results. I just want to add around 2Vpp white noise to the inverting input of the comparator(Schmitt-trigger in this case) to see the effects of hysteresis band. How can I establish it in this case? How can I add the noise so that it adds up to the signal at inverting input?
2-) Second might sound a bad question for many of you but lets say I want to block frequencies for the signals arriving to inverting input higher than 900Hz. Would you calculate the cut off frequency just by using R9 and C1? Or R7, R9, R10 should also be taken into account when calculating low pass filter’s cut off effect here? (By the way it seems to me in hysteresis equations the resistors connected to the inverting input should not have effect on hysteresis thresholds)
