I have a Matlab simulation which implements vector control with an LC filter
The simulation comprises a voltage source inverter feeding an LC filter model whose output is passed to an induction motor dynamic model
I am trying to implement active damping as detailed here http://vbn.aau.dk/ws/files/73019790/EPSH1_730_appendix_report.pdf
http://vbn.aau.dk/ws/files/71774890/EPSH1_730_paper.pdf Which shows the transfer function block
My problem is the report is very vague, it doesnt explain a lot and I am struggling to understand what I am supposed to do
The authors don't go into much detail such as transforms, given there is a PI controller then that tells me that Vref should be a Dc quantity hence I need to transform into the e-frame which is fine
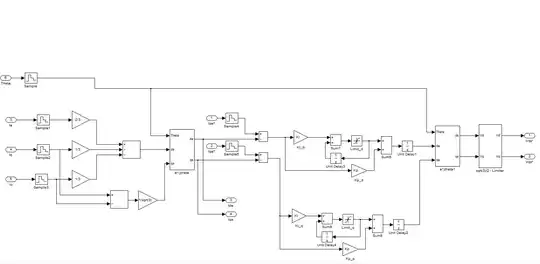
My problems are multiple there is a top heavy transfer function which simulink cant handle and it looks like the Vout is calculated where as in the report they mention measuring the output voltage again I believe this needs to be transformed to the eframe
My simulink model measures output voltage and load currents and the angle is calculated with an encoder and slip equation

I am at a loss as to how I implement this system
Do I measure the filter output voltages and transform to e frame and subtract from the Vref? which is the output voltage from the VC?
How do I get simulink to work with a transfer function that has an higher order numerator than denominator?
Any help/guidance would be most appreciated

