4

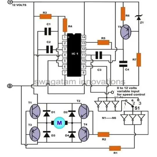
I'm trying to build a dc motor controller circuit as described here.

But it requires 2 "150E" resistors

From looking online I believe this means 15 ohms but I'm curious as to why, and why I couldn't find anywhere explaining such.

enter image description here

enter image description here

Wesley Lee
  • 7,914
  • 6
  • 37
  • 55
fusorx
  • 143
  • 1
  • 1
  • 5

1 Answers1

8

E means ohms. 150E is 150 ohm.

See link

winny
  • 14,707
  • 6
  • 46
  • 66
  • No it doesn't. E most likely stands for an E series resistor e.g. E24 - preferred value resistor see http://www.resistorguide.com/resistor-values/ – JIm Dearden Nov 21 '16 at 13:11
  • 3
    E24, yes. 150E on the other hand means 150 ohm. There is no E150 series. – winny Nov 21 '16 at 13:12
  • 1
    I stand corrected - you can get a 2E2 resistor (2.2 ohms) so +1 – JIm Dearden Nov 21 '16 at 13:18
  • @JImDearden No problem. My far fetched theory behind the usage of E instead of R when limited to 25 letters, a few signs and numbers would be that an E turned 90 degrees looks like a small omega. Someone hopefully have a real answer or better theory. Perhaps some old CAD system? – winny Nov 21 '16 at 13:21
  • Maybe because it has something to do with ~E~lectrons? he..he.. – Wesley Lee Nov 21 '16 at 13:22
  • 6
    Best I've come up with - the letter E in Morse is "." – JIm Dearden Nov 21 '16 at 13:38
  • @JImDearden Brilliant! – winny Nov 21 '16 at 13:39
  • @JImDearden I think the common decimal pt. abbreviation in Morse code is "R". Never have heard an "E" used this way, but can confirm that "R" is used surrounded by numbers. – glen_geek Nov 21 '16 at 15:44
  • Or maybe it could be similar to 2E2 meaning 210^2. So 150E means 15010^0 = 150. – FreezingFire Feb 09 '20 at 13:55
  • @FreezingFire 2E2 I would interpret as 2.2 ohm but I’ve never seen it in use. – winny Feb 09 '20 at 15:01