0

I have a BSS138 circuit below the schematic

I want to Convert 5 volt to 3.3 volt logic level shifter that using this BSS138.

SCHEMATİC enter image description here

Now. I am trying the circuit on the board, but does not work. Can you help me?

O.Blue
  • 553
  • 6
  • 11
  • The circuit you are trying to make is a bidirectional level shifter for open collector signals. But you didn't do it right. And it looks like you don't need a bidirectional level shifter. You could actually just use a resistor divider to convert 5V to 3.3. – user57037 Dec 17 '16 at 08:00
  • Resistor divider will work but it is limited by frequency. For frequencies up to the 10khz range it is okay. – nagylzs Dec 17 '16 at 08:24
  • I need really fast frequency and with a mosfet. – O.Blue Dec 17 '16 at 08:55
  • The resistor divider frequency response can be improved by adding a capacitor in parallel with the high-side resistor. You can get away with fairly large resistors by doing this. – user57037 Dec 17 '16 at 18:18
  • I really need this for . Because it is does not work on the board – O.Blue Jan 28 '17 at 12:23

2 Answers2

2

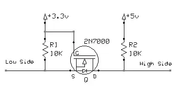
Google MOSFET level shifter. You need to pullup to +5 to get 5V at the output.

edit: Here is the first hit:

enter image description here

It should be obvious that the way you have the MOSFET won't work (just look at the substrate diode- it will conduct with +5 on the left side).

The turn on voltage of the BSS138 is a bit on the marginal side, but probably good enough for your purposes.

Spehro Pefhany
  • 397,265
  • 22
  • 337
  • 893
  • I can not try this BSS138 because my mosfets far a way from me nowadays. I searched it on google but Always show me 3.3 volt to 5 volt. Not 5 volt to 3.3 volt – O.Blue Dec 17 '16 at 08:56
  • 2
    This is a bidirectional converter, however it is not fast. For fast (10ns) you should use a tiny level translator chip, not this MOSFET. – Spehro Pefhany Dec 17 '16 at 09:35
  • Dear Spehro, Thanks you answer. My maximum frequence fast 10us.İt is good for me – O.Blue Dec 17 '16 at 09:51
  • 3
    10us with 10K pullup and 100pf load including 10-15pF for the transistor, the time constant will be 1us so it will probably work okay. – Spehro Pefhany Dec 17 '16 at 09:58
-1

Look at this video. Level shift solutions

Is shows several quick solutions. There are dedicated ics that work better with higher frequencies

nagylzs
  • 390
  • 5
  • 14