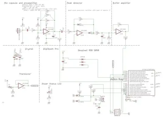
I am using an ATtiny167 Atmel chip on a custom PCB board I’ve designed.
I prototyped the board with the sensors and a Digispark (Getting started, Upload Bootloader) as the ADC and serial connection. I've had the board manufactured (multiple times) and am now trying to communicate with it.
I've attempted to load a bootloader via ISP (something has been loaded), and then tried talking to it with my Windows 10 PC via USB:
Background and Current attempts
The end goal is a USB “sensor stick” plugged into a Raspberry Pi that collects sensor data and sends it to a server.
Bootloader
I’ve used the micronucleus bootloader (Micronucleus repo) using AVRDUDE and an Arduino Uno as an ISP from the terminal. This is done via pogo pin connections on the PCB (MISO, MOSI, RESET, SCK, VCC, and GND).
The bootloader loads correctly:
C:\Program Files (x86)\Arduino\hardware\tools\avr\bin>avrdude -c stk500v1 -p attiny167 -P com6 -U lfuse:r:-:i -v -C avrdude.conf -b 19200
which outputs:
avrdude: AVR device initialized and ready to accept instructions
Reading | ################################################## | 100% 0.02s
avrdude: Device signature = 0x1e9487 (probably t167)
avrdude: NOTE: "flash" memory has been specified, an erase cycle will be performed
To disable this feature, specify the -D option.
avrdude: erasing chip
avrdude: reading input file "ProBootloaderR2.hex"
avrdude: writing flash (16384 bytes):
Writing | ################################################## | 100% 0.03s
avrdude: 16384 bytes of flash written
avrdude: verifying flash memory against ProBootloaderR2.hex:
avrdude: load data flash data from input file ProBootloaderR2.hex:
avrdude: input file ProBootloaderR2.hex contains 16384 bytes
avrdude: reading on-chip flash data:
Reading | ################################################## | 100% 0.03s
avrdude: verifying ...
avrdude: 16384 bytes of flash verified
avrdude: safemode: Fuses OK (E:FE, H:DF, L:62)
avrdude done. Thank you.
(I will discuss fuses later).
Drivers
I have installed the appropriate drivers for the micronucleus (Burn Micronucleus bootloader to use ATtiny85 via usb (avrdude) (tested with a Digispark on my PC).
Fuses
I am not sure if the fuses I’ve selected are correct. I’m using engbedded.com's fuse calculator to calculate the correct fuses, I have tried multiple, and none have worked. Not selecting the fuse (leaving to default) seems to give no errors.
When I read from the bootloader using the command
avrdude -c stk500v1 -p attiny167 -P com6 -U lfuse:r:-:i -v -C avrdude.conf -b 19200
I get:
avrdude: Version 6.3, compiled on Dec 16 2016 at 13:33:19
Copyright (c) 2000-2005 Brian Dean, http://www.bdmicro.com/
Copyright (c) 2007-2014 Joerg Wunsch
System wide configuration file is "avrdude.conf"
Using Port : com6
Using Programmer : stk500v1
Overriding Baud Rate : 19200
AVR Part : ATtiny167
Chip Erase delay : 1000 us
PAGEL : P00
BS2 : P00
RESET disposition : possible i/o
RETRY pulse : SCK
serial program mode : yes
parallel program mode : yes
Timeout : 200
StabDelay : 100
CmdexeDelay : 25
SyncLoops : 32
ByteDelay : 0
PollIndex : 3
PollValue : 0x53
Memory Detail :
Block Poll Page Polled
Memory Type Mode Delay Size Indx Paged Size Size #Pages MinW MaxW ReadBack
----------- ---- ----- ----- ---- ------ ------ ---- ------ ----- ----- ---------
eeprom 65 10 4 0 no 512 4 0 4000 4500 0xff 0xff
flash 65 10 64 0 yes 16384 128 128 4500 4500 0xff 0xff
signature 0 0 0 0 no 3 0 0 0 0 0x00 0x00
lock 0 0 0 0 no 1 0 0 9000 9000 0x00 0x00
lfuse 0 0 0 0 no 1 0 0 9000 9000 0x00 0x00
hfuse 0 0 0 0 no 1 0 0 9000 9000 0x00 0x00
efuse 0 0 0 0 no 1 0 0 9000 9000 0x00 0x00
calibration 0 0 0 0 no 1 0 0 0 0 0x00 0x00
Programmer Type : STK500
Description : Atmel STK500 Version 1.x firmware
Hardware Version: 2
Firmware Version: 1.18
Topcard : Unknown
Vtarget : 0.0 V
Varef : 0.0 V
Oscillator : Off
SCK period : 0.1 us
avrdude: AVR device initialized and ready to accept instructions
Reading | ################################################## | 100% 0.06s
avrdude: Device signature = 0x1e9487 (probably t167)
avrdude: safemode: hfuse reads as DF
avrdude: safemode: efuse reads as FE
avrdude: reading lfuse memory:
Reading | ################################################## | 100% 0.03s
avrdude: writing output file "<stdout>"
:01000000629D
:00000001FF
avrdude: safemode: hfuse reads as DF
avrdude: safemode: efuse reads as FE
avrdude: safemode: Fuses OK (E:FE, H:DF, L:62)
avrdude done. Thank you.
When I selected Ext. Clock – XTAL1; Start-up time PWRDWN/RESET: 6 CK/14 CK + 64 ms; I was receiving the error device ID 0x00000000 and could no longer ISP a bootloader. Otherwise I have kept it as Int.RC Osc. 8 MHz
I do have a 16 MHz external clock, but as I said, selecting external clock seemed to brick one.
I haven't disabled the reset.
USB Drivers
When I plug in the device to my computer in the USB port (COM6) I get “USB device not recognised”. The driver (in Device Manager) is “Unknown USB Device (Device Descriptor Request Failed)”.
I have tried selecting the driver by: Update Driver → Browse my computer for driver software → let me pick from a list of device drivers on my computer → Have Disk… → Browse… and then attempted to select the appropriate .inf file:
“The folder you specified doesn’t contain a compatible software driver for your device. If the folder contains a driver, make sure it is designed to work with Windows for x64-based systems.”
I have also selected the file containing the appropriate drivers, but I receive the error “Windows has determined that the driver software for your device is up to date.” And when using the Arduino IDE like you would a Digispark, no device is recognised (times out). I have tried the same drivers on other Windows machines, with the same results.
What am I doing wrong, and how can I fix it?
I think the problem is with setting the fuses, but I'm not sure which configuration is correct, and how to test it.
Context
I am now using an ATtiny167 rather than the ATtiny85, so it is more like the Digispark pro. However it uses the same drivers (micronucleus drivers). I haven't tried another bootloader for USB and the ATtiny range (Optiboot). I haven't attempted to use high voltage ISP.


Thank you for the explanation.
– AidenRay Jan 18 '17 at 23:33