I'm using an Arduino MEGA 2560 to control some mini dc vibration motors that work with around 3V and I'm using 16 digital outputs (I'm creating the PWM wave myself).
The Arduino Mega provides 5V and therefore, when I have a dutycyle of 70% or more I go over the 3V allowed in the motors, and thus bad things can happen.
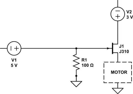
I wanted to use some transistor driver to reduce the output voltage, and so I thought on using a MOSFET Gate Driver.

simulate this circuit – Schematic created using CircuitLab
I wanted to use something like that î.
However, since I have 16 motors I wanted to use a driver that has more than one mosfet, and when I went to look for it I realized that I don't really know what to look for, since most of the drivers I found say that they need a supply voltage of at least 4.5V (which I dont have unless my dutycycle is ~80%) and that the output voltage is ~45V. They also mention something like inverting and non inverting, but I cant find anything about it (does it have the same meaning as in the OpAmps?).
Example:Mosfet example store
What I wanted to know is if you think the mosfet driver is the best option, and what is the difference between inverting and non inverting, and also, how can I control my output voltage if the voltage said by the manufacturer is different of what I want?
I'm sorry if I wasnt very clear but I'm very confused myself.
Thank you in advance!
