0

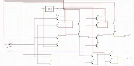
I've had a look around at all the various different ways to build a Full Adder and decided to have a crack at it myself. I looked at what it consisted of (2 XOR gates and a few AND gates) and built a model from diagrams of the gates that I managed to find. After having built this model I tested it and funnily enough it doesn't work.

Now, I can't see where I went wrong in this as according to my logic it should work perfectly. The only thing that I see that could be happening is that there is a leakage from the base to the emitter of all my AND gates.

This is the diagram of what I've built:

enter image description here I've used 2N3904, which are BJT NPN transistors. I'm not using a ACS713 on the real thing but that was the only image that I could find that was close to what I wanted. The input voltage is 5V with a 1k Ohm resistor.

Can someone please help me to figure out what is wrong with this model and potentially give me some improvements?

Thanks in advance.

JB Semichon
  • 13
  • 1
  • 4
  • How does it fail? Is any sub-part working? – Brian Carlton May 24 '17 at 17:35
  • See: https://electronics.stackexchange.com/questions/300091/purpose-of-resistors-in-a-nand-gate/300116#300116 and also https://electronics.stackexchange.com/questions/281152/how-to-chain-transistor-logic-gates/281320#281320 – jonk May 24 '17 at 17:49
  • Why do you think your design should work? Can you expand your question to document your design thinking, as I did in the links presented to you above? And then present what you are observing? – jonk May 24 '17 at 18:59
  • I looked at how each gate is made using transistors from some random internet pages I put them all together to form what I would see as a full adder. However it doesn't seem to work and I was wondering if it was down to a design fault and that their was a certain reason as to why what I've built hasn't worked. – JB Semichon May 25 '17 at 17:02

0 Answers0