this my first time asking questions to electronic community. So, I hope you ll help me.
My question goes like this:
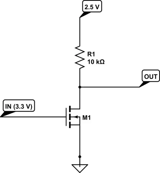
i have arduino Due board connected to this schematic
( https://i.stack.imgur.com/W685e.png ) .
i used small program to verify what voltage i can get. when i did the measurement i found that i have on : HIGH 2.5 V ( and that's should be normal ) but on LOW i read 1.6 V .
i can't understand why i am having 1.6V??
Asked
Active
Viewed 563 times
-1
Eugene Sh.
- 10,041
- 2
- 27
- 41
Haykel Mhadhbi
- 3
- 1
-
1Usually the common-gate converter is used when you want bi-directional level conversion. But your circuit won't allow that (because output isn't tied directly to the drain of Q1). So why not just use the more usual open-drain buffer? – The Photon Jul 20 '17 at 16:20
-
1That looks like an over complicated circuit. Wouldn't this suffice? A simple inverter. Or am I wrong to believe that you're trying to make 3.3V to 5V? It's pretty hard to decipher your "truth table" in the text. Im an awful detective – Harry Svensson Jul 20 '17 at 16:54
-
1Possible duplicate of Logic level converter using Transistors – Harry Svensson Jul 20 '17 at 16:59
-
@ThePhoton: open drain buffer? – Haykel Mhadhbi Jul 20 '17 at 18:20
1 Answers
1
Since you're only doing level conversion one way, try something simpler:

simulate this circuit – Schematic created using CircuitLab
You do have to program your arduino to output a '1' when you want a '0' on the 2.5-V side and vice versa, but that is normally not difficult to do.
You could also use a 1-gate logic chip such as 74LVC1G07 to get non-inverting behavior and more guarantees about the circuit performance, at a slightly higher cost than the discrete transistor version.
The Photon
- 129,671
- 3
- 164
- 309
-
Ahh I understand now but just a simple question. What if the power supply isn't 2.5 what if I use 3.3 v – Haykel Mhadhbi Jul 20 '17 at 19:27
-
If you want 2.5 V out, but only have a higher-voltage supply available, you could make a resistor divider that's thevenin equivalent to 2.5 V w 10 kohms (or whatever value you want). For example, 3.3 V with a resistor divider of 41.3k and 13.2k. – The Photon Jul 20 '17 at 20:12