What is the meaning of a symbol consisting of a diamond with four boundary triangles in a schematic?
Re. the following from the Atmega328 datasheet:
What is the meaning of a symbol consisting of a diamond with four boundary triangles in a schematic?
Re. the following from the Atmega328 datasheet:
That is a transmission gate: https://en.wikipedia.org/wiki/Transmission_gate.
It is constructed out of a P-channel and a N-channel MOSFET so when ON it is bi-directional. It is often used as a analog switch but that is not the case here.
It is bi-directional when 'SLEEP' is low (0, or OFF), and high-impedance when 'SLEEP' is high (1, or ON). Also the input to the Schmidt trigger is grounded when in sleep mode, so it is not 'floating'.
It is an analog switch but only expecting a logic 1 or 0 as an input to the Schmidt trigger, which cleans up noisy digital inputs.
It is followed by a synchronizing stage so that the data accepted is in step with the local clock for that port.
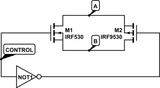
That's the standard symbol for a CMOS transmission gate, which basically acts as an electronic version of a SPST relay -- if the control input is high, then there is a low-impedance path between the two signal pins (i.e. the switch is ON), otherwise the signal pins have a high impedance between them (i.e. the switch is OFF).
This is done by using a PMOS and a NMOS in parallel, driven by complementary control signals, as in the below schematic (ignore the FET symbol body diodes as this is on an IC, but CircuitLab doesn't have the right symbol for that):

simulate this circuit – Schematic created using CircuitLab