Analog audio
Sound is transmitted through the air as variations in pressure. When a guitar string vibrates, a drum skin is hit or the vocal chords vibrate the air pressure oscillates a little around atmospheric pressure causing alternating compression and rarifaction of the air. A microphone detects these air vibrations and converts them to electrical signals. With no sound the microphone gives out 0 V. When it picks up a sound it gives out an alternating voltage going positive and negative with the air pressure. The electrical signal is an "analogue" (as in analogy) of the sound signal, hence "analog electronics" and "analog amplifier".
Dual-rail power supply
The alternating nature of the analog signal poses a problem for the electronics designer. Since the audio signal alternates around 0 V the amplifier circuits must too. To allow this a dual supply is required.

simulate this circuit – Schematic created using CircuitLab
Figure 1. This amplifier has a symmetric ±12 V supply. Note that there are no capacitors in the signal path.
If the The output can swing, say, to within 2 V of the supply voltage rails then the output could go from -10 V to +10 V. The instantaneous peak power would be \$ P = \frac {V^2}{R} = \frac {10^2}{8} = 12.5 \ \text W \$.
Note also that this amplifier has no capacitors in the signal path. That means that it can amplify "right down to DC" or, more relevant for audio, there is no fall-off in amplification at bass frequencies.
Single-rail power supply
There are many cases where only a single supply rail is available. The 12 V electrical supply of a car is an obvious one. The circuit of Figure 1 would not be able to handle negative signals and would distort terribly. To get around this we introduce a DC offset into the audio signal while it runs through our 12 V electronics. Typically this is about half of the supply voltage or 6 V for the 12 V system.

simulate this circuit
Figure 2. The amplifier modified for a single supply rail.
- R1 and R2 provide a 6 V DC bias to the amplifier.
- C1 de-couples the input signal. The input signal oscillates around 0 V (left side of C1) but on the right side of C1 it oscillates around +6 V.
- The amplifier boosts the signal and the output oscillates around +6 V.
- We need to avoid feeding the 6 V DC to the speaker as it would push or pull the speaker cone off-centre and cause some audio distortion as well as wasting half of the possible cone excursion and heating the voice coil. C2 does this as it blocks the DC voltage. It will also attenuate the bass frequencies though so it has to be large enough to present a low impedance at the lowest audio frequencies. An approximation of the bass roll-off frequency can be calculated from \$ f = \frac {1}{RC} \$. The calculation will give you a largish C value so an electrolytic capacitor is normally chosen. Since these are polarised we need to connect the + terminal to the +6 V side - the amplifier output.
But we've lost something! If the amplifier can still swing to within 2 V of the supply voltage rails then the output could go from 2 V to +10 V - but that's 6 V ± 4 V and so the peak voltage the speaker will see is 4 V. The instantaneous peak power would be \$ P = \frac {V^2}{R} = \frac {4^2}{8} = 2 \ \text W \$.
One way to improve the situation here is to lower the speaker resistance. If we used a 4 Ω speaker we could get 4 W from this amplifier (provided it can handle the increased current).
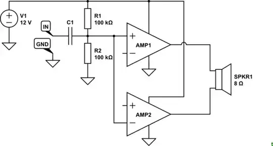
Bridged mode

simulate this circuit
Figure 3. A simplified version of a pair of amplifiers in bridge-mode. Note that one amplifier is non-inverting and the other is inverting.
Main points:
- We're still working on a single supply so the input decoupling capacitor and biasing resistors are still required. The biasing arrangement can be done inside the chip if it's designed for single-rail operation.
- We need two amplifiers for bridge mode.
- When the input signal is zero both amplifiers will output +6 V. The voltage across the speaker will be zero and no current will flow.
- If the input goes positive then AMP1 output will go positive and AMP2 output will go negative. You should be able to see that AMP1 can go to +10 V and AMP2 go to +2 V giving 8 V across the speaker. The maximum on a negative input will be -8 V across the speaker. The peak power will be \$ P = \frac {V^2}{R} = \frac {8^2}{8} = 8 \ \text W \$. It's not quite as good as the split-rail version but a lot better than that of Figure 2.
- Again note that the amplifiers require higher current capacity.
- The output decoupling capacitor is gone so the low-frequency roll-off is determined by C1 only.
- Again, a 4 Ω speaker will result in a higher output.
What are voltage swings?
I think I've covered that.
What are their benefits of a higher voltage swing on the speaker?
More power. Louder.
When should I switch to a bridged setup?
- Use bridged mode if you need more power but are constrained by the supply voltage.
- You need to design properly and check that the amplifiers are suited for bridge mode. (Read the datasheets) and what the minimum speaker impedance is.
When shouldn't I?
- If, for some reason, your speaker needs a ground connection then you can't use a bridge configuration. This would be an unusual constraint.
From the comments:
How can I know that this kind of setup won't damage my speakers?
Ears are the best devices for this. If you carefully press the speaker cone from the front or rear it will deflect and will return to the centre position due to the suspension arrangement which acts as a spring. When you overdrive your speakers you will approach the limits of the suspension where it no longer performs linearly or even hits a hard stop such as when the voice-coil hits the bottom of the slot in the magnet.

Figure 4. A loudspeaker cut-away. Source: Wikimedia commons.
Over-driving as described above will result in audible distortion which generates harmonics (multiples) of the frequencies present in the sound. This will make the output sound harsh and this effect is used by guitarists either by deliberately overdriving their speakers or using guitar effects units to create the effect.
High quality speakers may have tweeters for the high frequency signals. As the harmonics may be above the limits of human hearing the distortion may not be noticable so caution is urged.
Of course, you can read the datasheet for the speakers and calculate the maximum signal levels that should be applied.
If you wish to study further you should be able to find some MP3 sinewaves of various frequencies to play through your system. Alternatively a signal generator app for your phone would allow you to do all sorts of frequencies, sweeps, white noise, etc, and a spectrum analyzer app
would allow you to check the response from your speakers.