I had a quiz on power electronics and the following questions were asked:

Question 1: Consider the buck chopper in Figure 1, operating at 100 kHz frequency, with the switch duty ratio of 0.5 and input voltage of 100 V(DC). The load is resistive with R = 10 ohms, put across the filter capacitor. Load voltage is found to be nearly ripple free and inductor current is continuous. What should be the smallest value of inductor to keep peak value of the inductor current within 10% of its mean value?
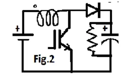
Question 2: Consider the Boost chopper of Figure 2. With input voltage 10Volts and a fixed duty ratio of 0.8. The converter feeds a resistive load of 10 ohms and operates with continuous inductor current. Due to some fault, the load gets disconnected. What will be the resulting output voltage under the steady state? Why?
So, in the test, I was able to think and write only for the 2nd question: My answer was: The output voltage across capacitor keeps on rising and rising since the diode will never be reverse biased thus the capacitor gets a continuous charge current from the inductor, which ultimately will lead to burning of the components of the whole setup.
As for the 1st question, I was just able to just find that the mean Inductor current will be 0.8 Amperes.
So, I was hoping if someone could help me with what might be the right answer for Question 1.
Also, did I write my 2nd answer right? What will be the correct answer?
Please, review and help.
