I have an L298 H-Bridge, but I cannot, for the life of me, get it to work. I have connected Vss to +5v, GND to ground, Input 2 to +5v, Enable A to +5v, Input 1 to ground, Vs to +5v, Output 2 to a motor terminal, Output 1 to the other motor terminal, and Current Sensing A to ground. The motor will not spin. I lack a volt meter at present (very short term, I usually do have one), so I tried tasting the wires. There is no electrical tang whatsoever (power supply does taste tangy, so that's not the problem!) This is the simplest circuit I could think of to test this thing and it will not work. Please help me!
4 Answers
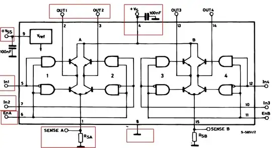
It is always an immensely good idea [tm] to provide a datasheet linklike this
What you describe SOUNDS OK.
Do you have protection diodes?
Without them it may have switched once and then shuffled off its mortal coil*.
(*=made magic smoke, visible or not).

- 150,303
- 18
- 213
- 391
-
I am using diodes actually, but I left this out of my description for simplicity. But yes, the man at the electronics store who helped me select things to buy recommended a four pin rectifier package which I am using on the outputs. That would be output 1 connected to one AC terminal, output 2 connected to the other, positive to positive, ground to negative. – Void Star Sep 13 '12 at 06:46
-
3Man in shop sounds more than averagely competent. – Russell McMahon Sep 13 '12 at 08:40
-
He was great! He works at a place called Vetco in Bellevue, WA. His name is Neil. If you live in the area I recommend you go to Vetco for parts. – Void Star Sep 14 '12 at 01:03
-
@BigEndian - I'm here** - under the "+" = about 10,000 miles from Vetco in Bellvue – Russell McMahon Sep 14 '12 at 01:52
You will never guess my problem. I will give you a hint: it wasn't my wiring... sort of...
The stupid package this chip is in doesn't fit very nicely in a breadboard. I had rocked the chip back wiring it up which disconnected all of the pins on one side. This is the second stupid-mistake question I have asked on stack exchange recently. What is the appropriate action from here?
- 1,471
- 1
- 16
- 27
-
1
-
-
It matters not BUT My answer is better than your answer even though your answer is what was wrong :-). My answer provides guidance that may help others. Yours provides the guidance "don't do silly things that some checking would reveal." That lesson is probably covered in depth alreaddy :-). – Russell McMahon Sep 13 '12 at 08:42
-
-
This chip, or any Darlington driver would be the wrong choice even if it did fit your breadboard... – Chris Stratton Apr 14 '19 at 04:51
I have similar question, but in your case, I think you have made a very BIG mistake.
Vs must greater than Vss about 2.5V at least. Check the datasheet.
e.g.: Vs=7.5V(power supply for the motor) Vss=5V (logic voltage)
- 1
-
That's not quite true. The actual restriction is that the motor supply be somewhat greater than the logic "1" input, but that need not match the logic supply. At any rate, all of these darlington bridges are absolutely horrible and have no place in new designs - especially low voltage ones. – Chris Stratton Apr 14 '19 at 04:54
-
@ChrisStratton You have left three comments explaining that these Darlington brides are horrible without explanation. Seven years of hobby experience and a degree in embedded systems after posting my original question, I can make an educated guess as to your reasoning. I am still curious to know your exact thoughts. Could you elaborate? – Void Star Apr 15 '19 at 20:47
-
The issues with Darlington bridges have been covered many times in the questions linked in the side bar to the right - essentially the Darlington structure means a very high voltage drop in their fully "on" saturation condition, which is a killer for systems with high current at a low supply voltage. – Chris Stratton Apr 15 '19 at 20:48
I just had a similar problem with the L298 not working. It turned out that the sense pin must be connected to GND (via a current sense resistor or not) as it somehow controls the output current, and when not connected, the output current is quite close to 0.
This was not quite clear in the datasheet which, in the introduction, states that
the corresponding external terminal can be used for the connection of an external sensing resistor.
which sounds like one could optionally connect something to the sense pin if one then wanted to measure the current that flows. However it becomes clearer with this:
The current that flows through the load comes out from the bridge at the sense output : an external resistor (Rsa ; Rsb .) allows to detect the intensity of this current.
So the Sense terminals are actually the emitter of the respective stage.
- 329
- 1
- 3
- 11
-
1This is more a random anecodote and a question than an answer. The question here is problematic and should be closed; there are numerous L293/L298 questions here which all come down to the same basic fact: DARLINGTON BRIDGES ARE HORRIBLE AND SHOULD BE AVOIDED. – Chris Stratton Apr 14 '19 at 04:56
-
I rephrased the answer to not include a question. Yes, it does not answer the problem in this question, but it answers a possible cause of the question's title (and hopefully helps somebody else as this page one of the first one on search engines). – Simon A. Eugster Apr 14 '19 at 12:20