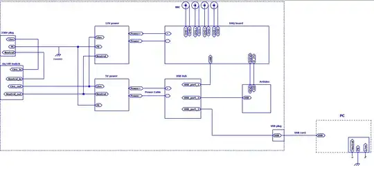
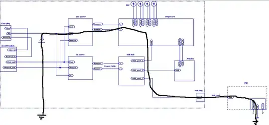
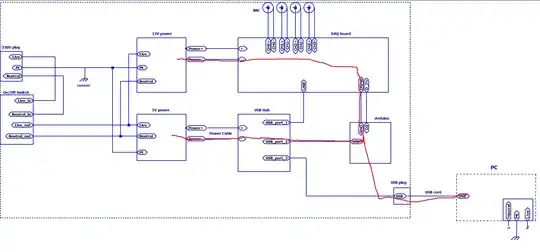
I have been told that there is a ground loop in this diagram especially via USB_GND, Power-, GND. But I don't understand what that means. All the power supplies are SMPS. Can someone draw the loop on my diagram below:
Arduino's digital output above is connected to the digital input of the DAQ board.
I have been told there is ground loop from several forums but I'm not able to verify the loop. Im stuck at that point, I would be glad if someone can draw such ground loop so I can proceed.


