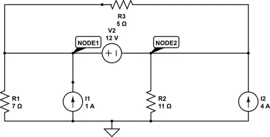
Here's a slightly redrawn schematic.
(I'm keeping it mostly as you had it, because nodal analysis isn't about understanding a circuit's design and behavior and more about just applying a systematic mathematical approach. And it's also just an academic exercise -- the schematic isn't supposed to do anything, anyway, except pose a problem to solve using a tool.)

simulate this circuit – Schematic created using CircuitLab
I intentionally dropped the ground connections on the other side of your current sources. That connection isn't needed as current sources have \$\infty\$ impedance. I also re-labeled your two nodes to avoid confusion with \$V_2\$ in your schematic.
I've also introduced a new variable for the current in \$V_2\$. This is an unknown variable, but it will be resolved if you solve out the equations.
For each node in the schematic above, I'll list the out-flowing currents from that node on the left side of each equation and I'll list the in-flowing currents into that node on the right side of each equation. The last equation provides the final information relating node 1 and node 2, as you already know.
$$\begin{align*}
\begin{array}{r}
{\text{Node } 1:} \vphantom{\frac{V_{N_2}}{R_3}}
\\\\
{\text{Node } 2:} \vphantom{\frac{V_{N_2}}{R_3}}
\\\\
{\text{Assign}:} \vphantom{V_{N_2}+V_2}
\end{array}
&&
\overbrace{
\begin{array}{r}
\frac{V_{N_1}}{R_1}+\frac{V_{N_1}}{R_3}
\\\\
\frac{V_{N_2}}{R_2}+\frac{V_{N_2}}{R_3}+I_{V_2}
\\\\
V_{N_1}
\end{array}
}^{\text{outflowing currents}}
&
\begin{array}{c}
&\quad{=} \vphantom{\frac{V_{N_2}}{R_3}}
\\\\
&\quad{=} \vphantom{\frac{V_{N_2}}{R_3}}
\\\\
&\quad{=} \vphantom{V_{N_2}+V_2}
\end{array}
&
\overbrace{
\begin{array}{l}
\frac{0\:\text{V}}{R_1}+\frac{V_{N_2}}{R_3}+I_1+I_{V_2}
\\\\
\frac{0\:\text{V}}{R_2}+\frac{V_{N_1}}{R_3}+I_2
\\\\
V_{N_2}+V_2
\end{array}
}^{\text{inflowing currents}}
\end{align*}$$
Can you solve the above for \$V_{N_1}\$, \$V_{N_2}\$, and \$I_{V_2}\$?