4

I'm working on a project for school that involves a configurable input stage (AC/DC coupling and variable input impedance) connected to an instrumentation amplifier. I am wondering whether I will experience any major DC offset issues if I connect an analog switch to the in-amp's inputs, or if I would be better of using relays.

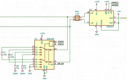
Here's what my input stage currently looks like: In-amp connected to analog switch

A few notes on the design:

  • The 1.3k resistor pair provides protection for the input stage
  • The resistor network connected to the switch is designed to allow be to select the input impedance
    • The options are infinite, 50ohm single-ended, 75ohm single-ended, 100ohm differential, and 150ohm differential.
  • To the left (out of image), there is a mechanical relay-based AC/DC coupling selection circuit
  • I realize that the analog switch will have no protection, but I'm hesitant to use diodes due to leakage currents
  • I do not need fast switching

This question is mainly about leakage current: is the leakage of a CMOS switch (such as the ADG409) low enough that it won't produce a significant DC offset at the output? Or would I be better off using relays?

Edit: something like the MAX14778 would be a better option, assuming that the leakage currents are common-mode. The only problem is that it comes in a 5x5mm QFN package, which is not ideal for prototyping.

Caleb Reister
  • 1,301
  • 1
  • 11
  • 30
  • You'll have some problems. The datasheet for the ADG409 quotes an on-state resistance of 40Ω typical and 100Ω max, which will really throw off your termination impedances. – Hearth Feb 01 '19 at 22:20
  • What are the signals? What are your drivers like (output impedance)? What is the gain of your INA? Do you need room temperature or across the full range? The switch is 90ohm Ron inline for single supply btw. We need to know all those details to determine signal integrity.

    To answer your offset question. Looks like leakage from the switch is 1nA. The INA is 5nA nominal. Leakage should be same into both + and - inputs and not cause offset.

    – EasyOhm Feb 01 '19 at 22:20
  • @Gonzik007 I'm mostly targeting my design mostly at high-impedance outputs such as condenser microphones, thermocouples, and RTDs; but I would like to be able to connect a reasonably long cable as well. Since this is a school project, it will be room temperature. I will be using the AD8253, which has a programmable gain of 1, 10, 100, and 1000. – Caleb Reister Feb 01 '19 at 22:27
  • In order to optimize the Mux, you must consider the signal/Noise ratio in your spec added to question. In your spec include cable length of each source, the signal and impedance levels. Thermocouples are near 0 Ohms and <1mV, mic’s have open drain with 10k pullup, etc. So to eliminate noise the common mode impedance must be low while differential Z much higher than source and may need to be buffered – Tony Stewart EE75 Feb 02 '19 at 00:31

1 Answers1

2

The analog switch by itself will not introduce a DC offset into the signal. That is, it does not add electrons from its Vdd pin to the signal channel. Leakage currents are sub-nanoamp in Fig. 9. Only you can say whether or not this error is significant.

You don't say what the signal bandwidth or amplitude is, and the FET switch characteristics can affect both of those.

A single channel ON resistance varies between 40 and 125 ohms in the tables, but is worse in the chart for your conditions. This is in series with all of your termination options. For example, two of these channels are in series with your 50 ohm differential terminator, significantly affecting the effective termination impedance seen by the signal.

Datasheet fig. 7 shows how the resistance varies instantaneously with signal amplitude. If the signals are source-terminated (example: 50 ohm output resistance at the source), this creates a voltage divider that varies with signal amplitude. The series leg is the 50 ohms at the source, and the shunt leg varies between 210 and 260 ohms (50 ohms + (2 x switch resistance)).

Based on nothing but what you've said so far, I'd look for a better switch. ADI and others have parts with 5 ohm (ish) ON values.

AnalogKid
  • 19,998
  • 1
  • 13
  • 32